Heute, 09:23
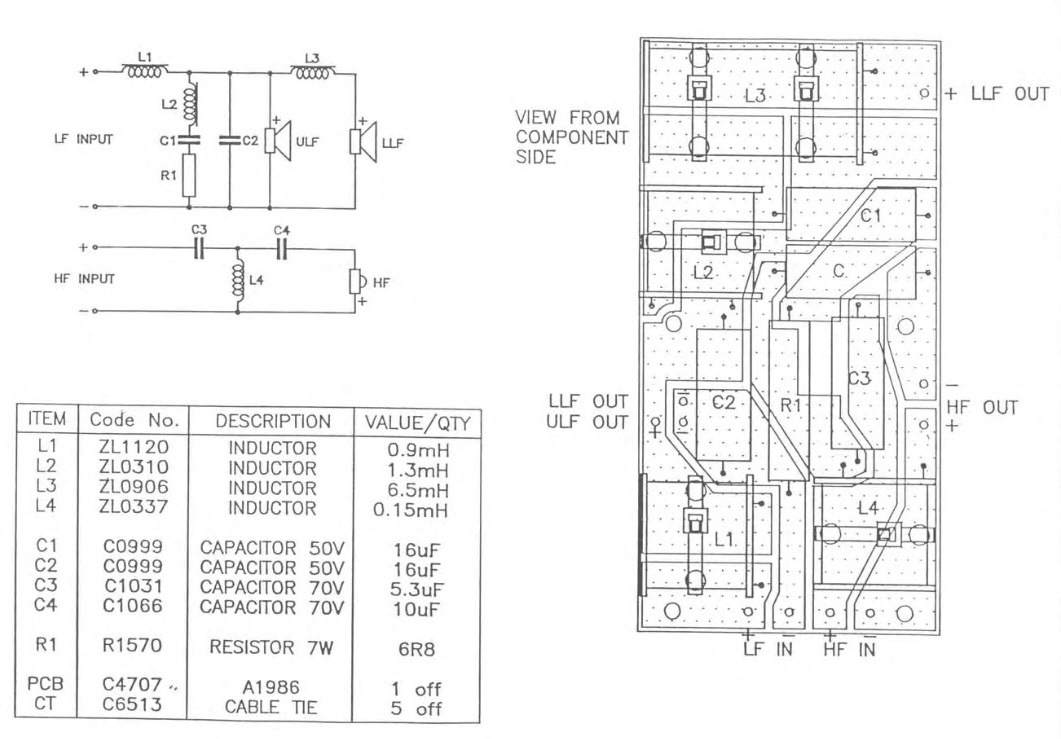
Moin! Ich habe einen Satz Bowers & Wilkins DM630 geerbt, die ich aufarbeiten möchte (aktuell 35 Jahre alt). Die hier verbauten Frequenzweichen verwenden Elkos, die es so kaum noch gibt: 5,3uF, 16uF usw.
Lassen sich diese Elkos durch Näherungswerte ersetzen, oder ist der Ersatz der ganzen Frequenzweiche vorzuziehen?
![[Bild: Bildschirmfoto-2025-12-23-um-09-22-16.jpg]](https://i.postimg.cc/hPzG59d9/Bildschirmfoto-2025-12-23-um-09-22-16.jpg)
Vorneweg: ich bin ein erfahrener Elektronikbastler mit eigener Werkstatt, aber meine Domäne sind typischerweise Kassettendecks, CD-Player und Ähnliches. Bei Lautsprechern bin ich noch blank.
Herzlichen Dank!
Bijan
Lassen sich diese Elkos durch Näherungswerte ersetzen, oder ist der Ersatz der ganzen Frequenzweiche vorzuziehen?
![[Bild: Bildschirmfoto-2025-12-23-um-09-22-16.jpg]](https://i.postimg.cc/hPzG59d9/Bildschirmfoto-2025-12-23-um-09-22-16.jpg)
Vorneweg: ich bin ein erfahrener Elektronikbastler mit eigener Werkstatt, aber meine Domäne sind typischerweise Kassettendecks, CD-Player und Ähnliches. Bei Lautsprechern bin ich noch blank.
Herzlichen Dank!
Bijan


