Beiträge: 3
Themen: 1
Thanks Received: 1 in 1 posts
Thanks Given: 0
Registriert seit: Mar 2026
Bewertung:
0
Hallo,
Mein MARANTZ 1550L Reciever verliert stetig
den Stereoempfang!
Habe momentan eine Wurfantenne fuer FM!
Welche Zimmerantenne fuer besseren Empfang kann man empfehlen!
Ausserdem funktioniert der Clincheingang von Extern nicht mehr!
Mfg
Beiträge: 823
Themen: 24
Thanks Received: 1.407 in 364 posts
Thanks Given: 1.575
Registriert seit: Apr 2023
Bewertung:
4
Hallo,hatte ich bei meinem SR 4010 auch.Am Anfang gut über 85 Empfang dann nach 6 Monaten immer weniger bis zum Schluss
0 Empfang Stereo weg.Nur noch Mono.Keine Einfache Reparatur möglich so die Aussage.
Viele grüße von Andreas
Beiträge: 3.526
Themen: 412
Thanks Received: 3.636 in 1.322 posts
Thanks Given: 57
Registriert seit: Jan 2018
Bewertung:
48
Frag doch mal bei " nice2hear" an
MfG
1 Mitglied sagt Danke an p.seller für diesen Beitrag:1 Mitglied sagt Danke an p.seller für diesen Beitrag
• runback
Beiträge: 9.893
Themen: 84
Thanks Received: 11.254 in 4.550 posts
Thanks Given: 6.373
Registriert seit: Jun 2011
Bewertung:
90
Das ist normale BE-Alterung, den Diskriminator nachstellen, Frontend und Stereodekoder abgleichen.
Dazu im Service Manual die Abgleichanleitung lesen und schaun, ob du oder ein Kundiger das hinkriegt.
1 Mitglied sagt Danke an Gorm für diesen Beitrag:1 Mitglied sagt Danke an Gorm für diesen Beitrag
• nice2hear
Beiträge: 823
Themen: 24
Thanks Received: 1.407 in 364 posts
Thanks Given: 1.575
Registriert seit: Apr 2023
Bewertung:
4
Wenn die Antwort auch für mich zutrifft erst mal danke.Es wäre für mich toll,wenn ein Kundiger mir helfen könnte.Ich bin leider nur ein pensionierter Mechaniker und kenne mich mit Elektronik nicht so aus.Für mich ist ein Schaltplan wie ein schnittmusterbogen von Burda.
Ich habe den Marantz bei Armin in Niemegk gekauft,war dann zwei mal da und er meinte das er sich mit Tunerteilen nicht so gut auskennt.Daher wäre es schön,wenn hier jemand helfen könnte,denn seitdem steht er nur rum.Denn zum Mono hören habe ich das Teil nicht angeschafft.
Viele Grüße von Andreas
Beiträge: 23.911
Themen: 281
Thanks Received: 28.256 in 9.791 posts
Thanks Given: 31.331
Registriert seit: Nov 2010
Bewertung:
103
Gestern, 10:24
(Dieser Beitrag wurde zuletzt bearbeitet: Gestern, 10:36 von nice2hear.)
Mmmhh, das hört sich schräg an dass Armin da die mögliche Ursache nicht identifizieren kann. So ein alter Hase im Stereogeraffel-Business. Hat sicher schon 1000de Servicemanuale gelesen und Abgleiche nach Step4step Anleitung dürfte für ihn in seiner Werkstatt kein Hexenwerksein. Standard Frontendabgleich beschreibt er doch auch auf seiner Webseite wenn ich mich richtig erinnere.
Wie auch immer wenn das nicht mit normalem Vorgehen hinzubekommen ist hat wer auch immer den Tunerteil richtig „verdreht“ oder Filter o. ? sind wirklich hin.
Blick in den 4010 zeigt 3Gang Frontend mit normaler Technik in ZF. Dekoder mit nen IC gelöst.
![[Bild: IMG-0366.jpg]](https://i.postimg.cc/HWXgd0R2/IMG-0366.jpg)
Diskriminatorspule ist das höhere silberne Kästchen oben mittig, vermutlich der Kern unten, auch von unten justierbar.
"We learned more from a three minute record than we ever learned in school" , Bruce Springsteen in "No surrender" played als Song 2 im Mai 2013 in Hannover
1 Mitglied sagt Danke an nice2hear für diesen Beitrag:1 Mitglied sagt Danke an nice2hear für diesen Beitrag
• Nawrotek
Beiträge: 23.911
Themen: 281
Thanks Received: 28.256 in 9.791 posts
Thanks Given: 31.331
Registriert seit: Nov 2010
Bewertung:
103
Gestern, 10:42
(Dieser Beitrag wurde zuletzt bearbeitet: Gestern, 12:12 von nice2hear.)
Für den 1550L sieht das sehr ähnlich aus.
![[Bild: IMG-0367.jpg]](https://i.postimg.cc/kXWhpqDC/IMG-0367.jpg)
Auch hier der Diskriminatorkreis am „hohen Türmchen“ erkennbar.
Als Messinstrument dient auch hier das TUNING-Meter an der Front mit Mittelstellung
"We learned more from a three minute record than we ever learned in school" , Bruce Springsteen in "No surrender" played als Song 2 im Mai 2013 in Hannover
Beiträge: 823
Themen: 24
Thanks Received: 1.407 in 364 posts
Thanks Given: 1.575
Registriert seit: Apr 2023
Bewertung:
4
Danke für deine Antwort.Wenn ich das noch mit meinem alten Kopf zusammen bekomme hat Armin Probleme gehabt das SM zu finden.Und er hat den Kasten aufgemacht und auch irgendwo gestellt.Aber mit der Aussage,dass er nicht der Tuner Spezi ist,eben mehr Verstärker.Auf jeden Fall konnte nichts repariert werden.Kann auch sein das irgendwas richtig kaputt ist,das kann ich nicht sagen.
Beiträge: 23.911
Themen: 281
Thanks Received: 28.256 in 9.791 posts
Thanks Given: 31.331
Registriert seit: Nov 2010
Bewertung:
103
Gestern, 11:14
(Dieser Beitrag wurde zuletzt bearbeitet: Gestern, 12:59 von nice2hear.)
Ok, 4010er SM hab ich bei elektrotanya u. Hifiengine auch nicht gefunden. Dachte er als Fachwerkstatt hätte andere Quellen.
Hab ein SR 4000 SM Bild gefunden da hat jemand handschriftlich ~SR 4010 draufgeschrieben.
Und das SM gibt’s bei beiden Portalen.
Auch von vorne gibt’s große Ähnlichkeit.
-----------------------------------------------------------------------------
Das vom 1550 Receiver gibt’s da auch (Info an TE Fritz)
hier warten wir erst mal ab ob sich Fritze nochmal meldet und uns sagt wie seine Skills in Sachen Elektronik sind.....
Hoffe dass der Clincheingang nen Autokorrekturbug ist .. und er uns sagen kann "welcher Cincheingang von min.3en" (AUX, Phono, Tape,..) nicht geht...
Wenn er (nach den ganzen Infos hier) es doch wirklich mit ner anderen Antenne versuchen will (so war ja die Frage): UKW RINGDIPOL für 20€ auf den Schrank legen...
"We learned more from a three minute record than we ever learned in school" , Bruce Springsteen in "No surrender" played als Song 2 im Mai 2013 in Hannover
1 Mitglied sagt Danke an nice2hear für diesen Beitrag:1 Mitglied sagt Danke an nice2hear für diesen Beitrag
• Nawrotek
Beiträge: 23.911
Themen: 281
Thanks Received: 28.256 in 9.791 posts
Thanks Given: 31.331
Registriert seit: Nov 2010
Bewertung:
103
Gestern, 11:58
(Dieser Beitrag wurde zuletzt bearbeitet: Gestern, 12:55 von nice2hear.)
Andreas, dann erst mal zum SR 4010, hier Bilder aus dem 4000er SM
![[Bild: Bildschirmfoto-2026-03-26-um-11-33-14.png]](https://i.postimg.cc/90wQy1Pq/Bildschirmfoto-2026-03-26-um-11-33-14.png)
die Lage der Bauelemente sieht doch passen aus, der Disk.kreis mit L201 gelb markiert,
und JA, der untere (lower) Kern wird von UNTEN abgeglichen.. schicke TUNING Meter an der Front (links vom BASS Regler) dient als 0V Messgerät..
Im Abgleichplan so beschrieben.... L106 würde ich nix verdrehen, fehlen die passenden Messgeräte usw.
![[Bild: Bildschirmfoto-2026-03-26-um-11-36-36.png]](https://i.postimg.cc/Vv0kX49X/Bildschirmfoto-2026-03-26-um-11-36-36.png)
aber eigentlich dürfte Armin das auch gewusst und gemacht haben (auch ohne SM, Filter ist ziemlich deutlich erkennbar), darum VERMUTE ich noch nen richtiger Bug.
hier der Schaltplan, denke im 4010 findest du auch Q202, ein SANYO LA1231 ZF IC sowie Q301, ein NEC µPC1161C mit Stereodekoder drin...
DU kannst mMn 2 Sachen probieren:
1. bei bekanntem Sender auf ner Sollfrequenz bis max. Signal (TUNING wird dann wohl nicht mittig auf 0 stehen
) den unteren Kern "mit passendem Werkzeug, nicht den Kern zerbröseln/killen" (wenn er es nicht schon ist) vorsichtig in eine bzw wenn TUNING Zeiger weiter von Mittelstellung abweicht in die andere Richtung verstellen.
JETZIGE POSITION MERKEN um die ggf wieder herzustellen wenn nix wird mit Abgleich und STEREO Empfang...
2. die +Gleichspannungen (gg. Masse) an beiden ICs messen und mit den Werten vom Plan vergleichen, ob es GROSSE Differenzen gibt...
Mehr würd ich erst mal nicht machen...
"We learned more from a three minute record than we ever learned in school" , Bruce Springsteen in "No surrender" played als Song 2 im Mai 2013 in Hannover
2 Mitglieder sagen Danke an nice2hear für diesen Beitrag:2 Mitglieder sagen Danke an nice2hear für diesen Beitrag
• bikehomero, Nawrotek
Beiträge: 9.893
Themen: 84
Thanks Received: 11.254 in 4.550 posts
Thanks Given: 6.373
Registriert seit: Jun 2011
Bewertung:
90
2c:
Der Einfluß des FE-Ausgangskreises durch Verstellen von L106 auf die Größe des ZF-Signals ist oft gering. Den würde ich nur verstellen, wenn folgendes nichts bringt:
- L201 Diskriminator auf Mittenanzeige durch Verstellen des unteren Kerns. Wenn kein Generator vorhanden, einen schwachen Sender auf max. Signalanzeige abstimmen, wenn möglich ohne Modulation. Den oberen Kern ohne geeignete Meßtechnik nur verändern, wenn Mono von Interesse oder die Kiste hörbar rauscht. Es gibt auch Abgleichwerkzeuge, die durch den oberen Kern in den unteren durchgesteckt werden, um den unteren einzustellen.
- Weil das MPX-Signal durch zu schwaches ZF-Signal gern schwächelt, das FE nachstellen: Die Trimmer TC1 FM-Ant und TC2 FM-RF bei Empfang eines schwachen Senders ungefähr in Bandmitte nacheinander auf max. Signal einstellen. Das braucht nur sehr kleine Winkeländerungen, also viel Gefühl einsetzen. Die Spulen im RF-Teil verändern ist nur mit viel Erfahrung empfehlenswert.
2 Mitglieder sagen Danke an Gorm für diesen Beitrag:2 Mitglieder sagen Danke an Gorm für diesen Beitrag
• bikehomero, Nawrotek
Beiträge: 3
Themen: 1
Thanks Received: 1 in 1 posts
Thanks Given: 0
Registriert seit: Mar 2026
Bewertung:
0
Hier nochmal Fritz,
Danke erstmal fuer die Tipps!
Die Elektronik im MARANTZ sind noch böhmische Dörfer fuer mich! Bin aber dabei mich damit anzufreunden!
Die Frage nach dem nicht funktionierenden Input :Aux Funktioniert nicht! Kommt nur ein lautes Krächzen!
Habe jetzt eine Zimmerantenne mit Verstärker angeschlossen!
Sender bleibt nun laenger auf Stereo!
Plötzlich geht dann der Ton ganz weg, auch kein Mono!
Der Empfangsanzeiger bleibt auf guten Empfang!
Beiträge: 823
Themen: 24
Thanks Received: 1.407 in 364 posts
Thanks Given: 1.575
Registriert seit: Apr 2023
Bewertung:
4
Ich möchte mich bei euch beiden für die tolle Hilfe bedanken.Ist alles auf einmal etwas heftig für mich,aber ich werde mich da mal ran Tasten.Thema Werkzeug,es wird wohl nötig sein einen speziellen Schraubendreher zu besorgen,mit normalem Werkzeug wird es wohl nicht gehen.Ich habe diverse Uhrmacher Dreher da,aber ich weiß nicht ob das so gut ist.Ihr wisst das sicher ganz genau.
Viele Grüße von Andreas
Beiträge: 3.526
Themen: 412
Thanks Received: 3.636 in 1.322 posts
Thanks Given: 57
Registriert seit: Jan 2018
Bewertung:
48
Gestern, 23:13
(Dieser Beitrag wurde zuletzt bearbeitet: Gestern, 23:13 von p.seller.)
Eine kleine Investition :
Abgleichbesteck Werkzeug Kunsstoff ( im Netz )
MfG
1 Mitglied sagt Danke an p.seller für diesen Beitrag:1 Mitglied sagt Danke an p.seller für diesen Beitrag
• Nawrotek
Beiträge: 524
Themen: 12
Thanks Received: 621 in 220 posts
Thanks Given: 898
Registriert seit: Jan 2018
Bewertung:
1
Gestern, 23:49
(Dieser Beitrag wurde zuletzt bearbeitet: Gestern, 23:55 von HÄUFIG-HEAR.)
(Gestern, 21:14)Marantzfritz schrieb: Hier nochmal Fritz,
Danke erstmal fuer die Tipps!
Die Elektronik im MARANTZ sind noch böhmische Dörfer fuer mich! Bin aber dabei mich damit anzufreunden!
Die Frage nach dem nicht funktionierenden Input :Aux Funktioniert nicht! Kommt nur ein lautes Krächzen!
Habe jetzt eine Zimmerantenne mit Verstärker angeschlossen!
Sender bleibt nun laenger auf Stereo!
Plötzlich geht dann der Ton ganz weg, auch kein Mono!
Der Empfangsanzeiger bleibt auf guten Empfang!
Erinnert mich an die Stero-Probleme, die ich mit meinem Marantz damals hatte. Am Schluss waren es "nur" kalte Lötstellen auf einer Platine, die ich mit dem Lötkolben beheben konnte und seither läuft er wieder klaglos! (sprich: ich konnte mit "leichtem" Druck mit einem Holzstäbchen auf die Platine den Fehler reproduzieren - Stereo an/aus bzw. alles an/aus etc. - und den Fehler so auf eine bestimmt Platine eingrenzen - als absoluter Amateur in Sachen Elektronik habe ich einfach alle Lötstellen auf der Platine kurz heiss angetippt).
Siehe meinen damaligen Beitrag: https://old-fidelity-forum.de/thread-337...pid1179418 und hier: https://old-fidelity-forum.de/thread-337...pid1184853
Dank der Unterstützung der Kollegen hier in diesem Forum hab ich damals nicht so schnell aufgegeben und den Fehler (auch mit etwas Glück und Beharrlichkeit) gefunden. Ohne die motivierenden Kollegen hier hätte ich vermutlich damals schnell aufgeben und den Marantz entsorgt.
Wäre vielleicht mal einen Versuch wert mit dem Holzstäbchen...
***
1 Mitglied sagt Danke an HÄUFIG-HEAR für diesen Beitrag:1 Mitglied sagt Danke an HÄUFIG-HEAR für diesen Beitrag
• Nawrotek
Beiträge: 23.911
Themen: 281
Thanks Received: 28.256 in 9.791 posts
Thanks Given: 31.331
Registriert seit: Nov 2010
Bewertung:
103
Vor 2 Stunden
(Dieser Beitrag wurde zuletzt bearbeitet: Vor 2 Stunden von nice2hear.)
Hallo Fritz,
noch Zusatzinfo, falls du dich an die Abstimmung des Diskriminatorkreises, der Einfluss auf die STEREO-Wiedergabe hat, drantraust.
Viel Infos stehen ja auch von Holger schon oben zu lesen, auch was zum 4010 gilt, gilt auch beim SR 1550L.
Inkl. dem Hinweis zum passenden Werkzeug, normaler Schraubendreher ist suboptimal, besser Abgleichstift aus Kunststoff oder Keramik..
Metall vom Schraubendreher hat Einfluss auf den Magnetismus vom Spulenkern, hier muss man sich dann annähern, leicht verstehen, Schraubendreher raus, Wert prüfen, Nachjustieren
bis man bei irgendwas um die +/- 1xx mV oder kleiner ist. 0mV wird man nie treffen, ist abe rauch nicht notwendig.
Wichtig: nicht den Ferritkern killen/zerbröseln wenn er etwas fest sitzt!
Los geht es
Aus dem SM zum Abgleich:
Step 7 is wichtig, auch hier ist es die Filterspulte L201 und der untere (Bottom) Kern.
Ich hoffe man kommt von unten (Unterseite der Platine) an die Spule. Ist im Bild (Post #7) nicht zu erkennen. Platine lösen ist wg Skalenseil-am-Drehko nicht unkritisch!
Am oben (STep 8) nicht drehen, ein Distortion Meter ham wa nicht,,,
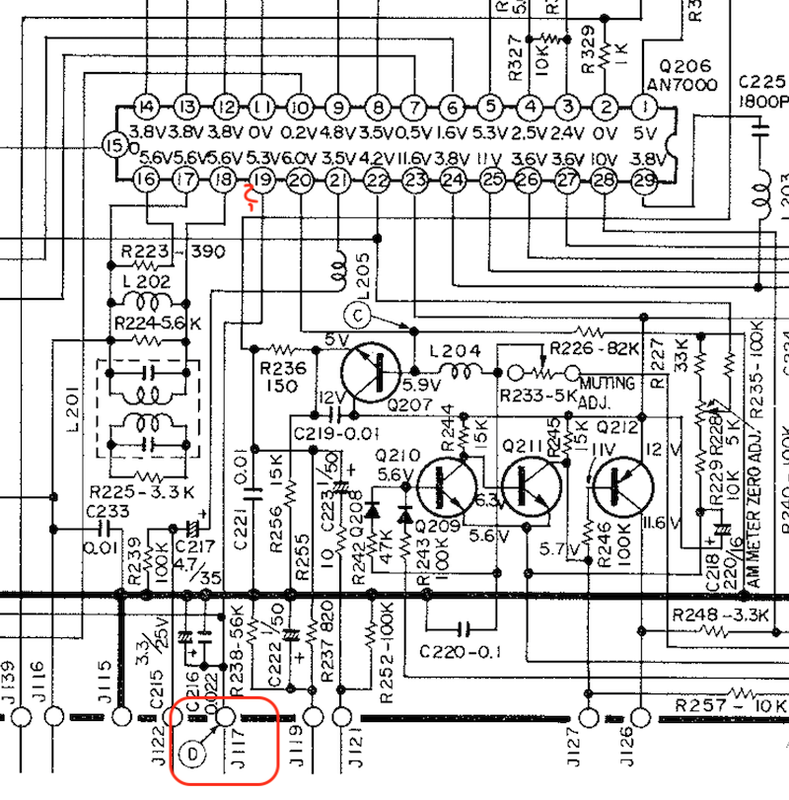
Etwas irritierend ist die Meßinfo, Voltmeter soll im 1V Bereich an "Meßpunkt (D)" angeschlossen werden um dann auf "nah an 0 Volt" abzugleichen.
Im Schaltplan ist (D) unten an Lötpin J117 zu sehen, die Leitung geht dann zum TUNING Instrument:
![[Bild: Bildschirmfoto-2026-03-27-um-12-36-52.png]](https://i.postimg.cc/8zMHG7KM/Bildschirmfoto-2026-03-27-um-12-36-52.png)
Und die Leitung kommt oben vom ZF IC Q206, ein AN7000, Pin19, wo im Normalbetrieb etwas über 5V anliegen...
Falls da als 5V gemessen werden vielleicht am TUNING Meter auf 0 = Mittelstellung abgleichen bei einem eher schwachen Stationssignal,
wie  gorm es oben beschrieben hatte.
Viel Erfolg.
"We learned more from a three minute record than we ever learned in school" , Bruce Springsteen in "No surrender" played als Song 2 im Mai 2013 in Hannover
Beiträge: 3
Themen: 1
Thanks Received: 1 in 1 posts
Thanks Given: 0
Registriert seit: Mar 2026
Bewertung:
0
Hallo,
Hier nochmal das Innenleben vom MARANTZ 1550!
Der silberne Turm im Bild istder Disk. Kreis, oder!?
Hier sollte ich dann von unten Verstellen?
1 Mitglied sagt Danke an Marantzfritz für diesen Beitrag:1 Mitglied sagt Danke an Marantzfritz für diesen Beitrag
• nice2hear
Beiträge: 23.911
Themen: 281
Thanks Received: 28.256 in 9.791 posts
Thanks Given: 31.331
Registriert seit: Nov 2010
Bewertung:
103
Vor 1 Stunde
(Dieser Beitrag wurde zuletzt bearbeitet: Vor 55 Minuten von nice2hear.)
(Vor 1 Stunde)Marantzfritz schrieb: Der silberne Turm im Bild istder Disk. Kreis, oder!?
Hier sollte ich dann von unten Verstellen?
Genau.
Kommt man einfach an die Platinenunterseite??
Der Ferritkern (von oben und dann auch der untere) scheint ein Inbus“Loch“ zu haben?
Wie gorm/Holger schrieb könnte das untere Loch kleiner sein damit man mit nen passenden dünneren längeren Abgleichstift durch den oberen Kern unten abgleichen kann… ohne den oberen Distortion Kern zu verdrehen.
Und mess mal die Gleichspannung an J117, dem zweiten Lötpfosten von links.
Einmal gg. Masse messen u. einmal gg. J116 daneben.
Das weiße Kabel sollte zum Tuning-Meter führen. Auch da kannst du messen.
"We learned more from a three minute record than we ever learned in school" , Bruce Springsteen in "No surrender" played als Song 2 im Mai 2013 in Hannover
|