Beiträge: 1.959
Themen: 129
Thanks Received: 1.452 in 640 posts
Thanks Given: 3.489
Registriert seit: Jan 2011
Bewertung:
7
Hallo Welt,
ich wollte auch Mal wieder statt des DVD-Players einen echten CD Player haben und da kam mir der Metz aus dem letzten Paketkauf gerade recht:
Um den hier geht es:
![[Bild: cd-a30.JPG]](https://audio-database.com/AKAI/player/cd-a30.JPG)
(Foto geliehen von audio-database)
https://audio-database.com/AKAI/player/cd-a30-e.html
Zum Testen ne Maxi eingeschoben und wie erwartet:
Probleme beim Einlesen. Mal erkennt er die Disc beim ersten Versuch, dann erst beim dritten. Zusätzlich springt er teils wild umher, auch rückwärts.
Zuerst also die Linse mit Isoprop gereinigt. Schon etwas besser, jetzt läuft der zweite Track sogar komplett durch.
Nächster Schritt: Reinigen der Laserführung, deren altes Fett oder der Mangel dessen ja auch gern Ursache für wilde Sprünge ist. Ebenfalls mit Isoprop drübergegangen, zusätzlich erneut die Linse geputzt. Das Gerät stammt ja aus einem Raucherhaushalt. Im Anschluss wurde das Gestänge mit Silikonfett geschmiert. Da bin ich mir ehrlich gesagt nicht ganz sicher, ob das hier ideal ist.  War ein Versuch. Alternativ habe ich noch weißes Sprühfett oder Vaseline hier.
Zwischenzeitlich kurz die Flasche Isoprop umgeworfen und mit dem nassen Lappen gleich noch das Gehäuse abgewischt bzw. verschmiert. Naja, man will ja nichts verschwenden
Das Ende vom Lied:
Nach Wiedereinsetzen der Diskhalterung dreht die CD überhaupt nicht mehr an, es klicken kurz ein, zwei Relais, das wars.
Da hatte ich jetzt schon mehr erwartet.
Mir ist zwar beim Zusammenbauen kurz die Halterung auf den CD-Schlitten runtergeklappt (definitiv nicht auf die Linse geknallt - aber leider auf den Magnetteller, der von unten die CD antreibt). Das Plastikteil wiegt zwar nicht viel, aber wäre ja 1a, dadurch den Antrieb geschrottet zu haben 
Stecker sind in der Region keine, die sich versehentlich leicht lösen könnten.
Habt ihr einen Lösungsansatz für mich? Greift da ein Erkennungskontakt nicht?
Grüße
Daniel
1 Mitglied sagt Danke an zoolander für diesen Beitrag:1 Mitglied sagt Danke an zoolander für diesen Beitrag
• feesa
Beiträge: 814
Themen: 42
Thanks Received: 1.303 in 389 posts
Thanks Given: 142
Registriert seit: May 2012
Bewertung:
7
Hallo Daniel,
im Servicemanual https://www.hifiengine.com/manual_librar...-a30.shtml ist die mechanische Grundeinstellung des Plattentellers auf der Achse des Spindelmotors beschrieben: 4mm Abstand zwischen Grundplatte der Traverse und Unterkante des Plattentellers bzw. 20mm zwischen Grundplatte der Traverse und Auflagefläche der CD. Es kommt hierbei durchaus auf einige Zehntelmillimeter an. Kurbele die Abtasteinheit im ausgeschalteten Zustand von Hand bis zum äussersten Rand und prüfe bitte, ob sie beim Einschalten zur inneren Startposition zurück kehrt. Dadurch wird die Funktion des inner limit switch grob geprüft, ohne ihn geht nämlich auch nichts.
Grüße, maurice
2 Mitglieder sagen Danke an airmax78 für diesen Beitrag:2 Mitglieder sagen Danke an airmax78 für diesen Beitrag
• zoolander, Mainamp
Beiträge: 1.959
Themen: 129
Thanks Received: 1.452 in 640 posts
Thanks Given: 3.489
Registriert seit: Jan 2011
Bewertung:
7
05.12.2021, 19:18
(Dieser Beitrag wurde zuletzt bearbeitet: 05.12.2021, 23:54 von zoolander.)
(05.12.2021, 14:19)airmax78 schrieb: Hallo Daniel,
im Servicemanual https://www.hifiengine.com/manual_librar...-a30.shtml ist die mechanische Grundeinstellung des Plattentellers auf der Achse des Spindelmotors beschrieben: 4mm Abstand zwischen Grundplatte der Traverse und Unterkante des Plattentellers bzw. 20mm zwischen Grundplatte der Traverse und Auflagefläche der CD. Es kommt hierbei durchaus auf einige Zehntelmillimeter an. Kurbele die Abtasteinheit im ausgeschalteten Zustand von Hand bis zum äussersten Rand und prüfe bitte, ob sie beim Einschalten zur inneren Startposition zurück kehrt. Dadurch wird die Funktion des inner limit switch grob geprüft, ohne ihn geht nämlich auch nichts.
Grüße, maurice
Danke maurice,
ich habe mir das Manual vorhin runtergeladen.
Nur zum Verständnis: Der äußerste Rand ist die Position ganz hinten, also zur Geräterückseite hin? Beim bisherigen Öffnen parkte der Schlitten immer vorne auf der Bedienerseite.
Edit:
Wieder ein bisschen rumgebastelt:
Auf den Laserschlitten habe ich in eingebautem Zustand praktisch keinen Zugriff. An das Zahnrad komme ich nur mit einem langen Schaschlikspieß, zurückschieben ging damit aber nicht. War wohl bereits die "Ausgangsposition".
Aktuell läuft eine 13 Jahre alte CDR besser als eine vorbespielte Audio CD. Die Linse habe ich heute erneut quasi 2x in Isoprop gebadet und mehr oder weniger mit dem Wattestäbchen geschrubbt. Mittlerweile laufen manche Titel sogar durch. Das Springen ist mittlerweile seltener geworden, aber noch vorhanden. Ich schätze, dass dies auch Folgen des Nikotins sind. Isoprop verschmiert ja nur, das habe ich bei der Reinigung des Gehäuses schon bemerkt. Man glaubt ja nicht, was mit dem richtigen Reiniger da an Dreck runterkommt...puhh...
Achja: Welche Funktion hat(te) der aufgelöste Schaumstoff auf dem Oberteil des CD-Halters?
Grüße
Daniel
Beiträge: 814
Themen: 42
Thanks Received: 1.303 in 389 posts
Thanks Given: 142
Registriert seit: May 2012
Bewertung:
7
Hallo Daniel,
ich gehe also davon aus, dass der Spindelmotor inzwischen wieder anläuft..? Aus der Ferne wird es jetzt schwierig, du wirst nicht drumherum kommen, die Abtasteinheit von Hand nach hinten (d.h. in Richtung Netztrafo) zu kurbeln: beim Einschalten muss die Abtasteinheit zügig und ohne zu stocken zurück zur inneren Startposition (d.h. in Richtung Plattenteller) gefahren werden. Diese Vorgehensweise erlaubt vorweg Rückschlüsse über den Zustand des Slider Motors, der Führungen der Abtasteinheit und des Mikroschalters an der Parkposition. Die Abtastoptik nicht ertränken, sondern nur feucht abwischen: wenn die Reinigungsflüssigkeit in die Abtastoptik läuft, dann hilft nur noch beten. Generell: Wenn die Oberseite der Sammellinse bereits stark verschmutzt ist, so kann man davon ausgehen, dass die übrige Abtastoptik ebenfalls betroffen ist: diese lässt sich nicht reinigen, sodass man nur anhand des Augenmusters (Oszilloskop) beurteilen kann, ob es sich noch lohnt, weitere Arbeit zu investieren. Das Schaumstoffklötzchen soll bloss verhindern, dass der Andrücker gegen die Innenseite des Gerätedeckels knallt, ist also für die reine Funktion nicht so wichtig.
Grüße, maurice.
1 Mitglied sagt Danke an airmax78 für diesen Beitrag:1 Mitglied sagt Danke an airmax78 für diesen Beitrag
• zoolander
Beiträge: 575
Themen: 9
Thanks Received: 485 in 181 posts
Thanks Given: 80
Registriert seit: May 2021
Bewertung:
5
Hallo Daniel,
Laserlinsen reinigt man nicht mit Isopropanol, da es, wie du selbst gemerkt hast, schmiert. Zudem erzeugst du mit der Putzerei feinste Kratzer auf der Linse, die einen Doppelbrechungseffekt erzeugen.
Weiterhin werden die Laufschienen nicht mit irgendwelchen Fetten zugekleistert, sondern mit geeigneten Ölen neu geschmert. Hakt der Schlitten auf der Schiene für ein paar 10-100ms, hast du das Spiel schon verloren. Das Zusammenspiel zwischen Laseroptik und dem Schlitten muss 100% funktionieren.
Dann noch der Hinweis, dass die meisten Laseroptiken nicht gasdicht sind. Hast du ein Gerät aus einem Raucherhaushalt, kannst du den Laser in der Regel vergessen. Die inneren Linsen werden blind und streuen dadurch den Laserstrahl.
Dann noch eine Frage: hast du denn die Kiste mal versucht (neu) abzugleichen? Manchmal rettet das den Player ja noch für eine gewisse Zeit.
1 Mitglied sagt Danke an Accu-Fan für diesen Beitrag:1 Mitglied sagt Danke an Accu-Fan für diesen Beitrag
• zoolander
Beiträge: 15.465
Themen: 804
Thanks Received: 28.167 in 6.736 posts
Thanks Given: 2.425
Registriert seit: Oct 2014
Bewertung:
129
07.12.2021, 09:50
(Dieser Beitrag wurde zuletzt bearbeitet: 07.12.2021, 10:02 von scope.)
Reinigen der oberen Optik kann man natürlich mit Isopropanol (hochrein) durchführen. Die gängigen "spezial" Linsenreiniger bestehen zum allergrößten Teil daraus. Wenn das nicht funktionieren würde, hätten es Millionen Bastler (mit Ausnahmen) bis heute sicher mitbekommen.
Die Laufschienen werden bereits ab Werk mit Fetten ausgeliefert. In den meisten Fällen das bekannte "weisse" Fett, das auch für Zahnräder aller Art Verwendung findet.
Natürlich wird auch ein nicht verharzendes Öl erst mal für Bewegung sorgen.
Der TE ist wie die meisten Bastler sicher nicht in der Lage, einen "historischen" CD Spieler mit 5 , 6 oder 7 Abgleichstellen wieder da hin zu bewegen, wo er -wirklich- hingehört.
Um das zu bewerkstelligen reicht ein Oszilloskop (das auch erst mal vorhanden sein muss) nicht immer aus. Dazu kommt noch, dass man sich mit der Anatomie der Sache auskennen sollte.
So wie ich es anhand der bisherigen Texte auffasse, ist der TE nicht dazu prärestiniert, einen klassischen CD Spieler zu reparieren. Es sei denn, er hat Glück, und findet einen lockeren Stecker, oder eine ausgehängte Feder.
Die Worte werden dem einen oder anderen wieder mal nicht gefallen, aber so sieht es nun mal aus.
Edit: Natürlich kann der Fehler überall zu finden sein. Ich halte es aber für naheliegend, dass der Laser zu Beginn der Aktion bereits an der Grenze war und nur noch wenig Emission erreichte. Durch diverse Einflüsse, von denen berichtet wurde (Sturz, Schlag, Tellerhöhe?, Druck auf die obere Optik usw)...ist jetzt eine Grenze überschritten.
Mit Hausmitteln ist hier Schluss, sofern nicht ein loses Kabel etc. gefunden wird. Das ist bei solchen Berichten ja bekanntlich nicht selten.....
Wünsche natürlich trotzdem viel Erfolg.
Beiträge: 1.959
Themen: 129
Thanks Received: 1.452 in 640 posts
Thanks Given: 3.489
Registriert seit: Jan 2011
Bewertung:
7
07.12.2021, 13:33
(Dieser Beitrag wurde zuletzt bearbeitet: 08.12.2021, 00:29 von zoolander.)
(06.12.2021, 12:23)airmax78 schrieb: Hallo Daniel,
ich gehe also davon aus, dass der Spindelmotor inzwischen wieder anläuft..? Aus der Ferne wird es jetzt schwierig, du wirst nicht drumherum kommen, die Abtasteinheit von Hand nach hinten (d.h. in Richtung Netztrafo) zu kurbeln: beim Einschalten muss die Abtasteinheit zügig und ohne zu stocken zurück zur inneren Startposition (d.h. in Richtung Plattenteller) gefahren werden. Diese Vorgehensweise erlaubt vorweg Rückschlüsse über den Zustand des Slider Motors, der Führungen der Abtasteinheit und des Mikroschalters an der Parkposition. Die Abtastoptik nicht ertränken, sondern nur feucht abwischen: wenn die Reinigungsflüssigkeit in die Abtastoptik läuft, dann hilft nur noch beten. Generell: Wenn die Oberseite der Sammellinse bereits stark verschmutzt ist, so kann man davon ausgehen, dass die übrige Abtastoptik ebenfalls betroffen ist: diese lässt sich nicht reinigen, sodass man nur anhand des Augenmusters (Oszilloskop) beurteilen kann, ob es sich noch lohnt, weitere Arbeit zu investieren. Das Schaumstoffklötzchen soll bloss verhindern, dass der Andrücker gegen die Innenseite des Gerätedeckels knallt, ist also für die reine Funktion nicht so wichtig.
Grüße, maurice.
Hi Maurice,
der Motor läuft wieder einwandfrei an. Um den Schlitten nach hinten zu kurbeln, muss ich wohl die ganze Einheit abbbauen, oder? Ich sehe sonst keine Möglichkeit an das Zahnrad zu kommen. Kann ich die Schrauben an den Pfeilen einfach lösen, ohne den Player komplett zu dejustieren?
Edit: Die Stangen kann man wahrscheinlich auch einfach lösen, schmieren, zum Verteilen leicht vor- und zurückschieben. Im Bestfall muss ich nichts komplett ausbauen.
In diesem Video legt er Spannung an den Motor an, um ihn nach hinten zu fahren. Dafür habe ich leider nicht das Equipment hier.
Alles was mir zur Verfügung steht ist ein Voltmeter und ein einstellbarer Lötkolben.
(06.12.2021, 18:26)Accu-Fan schrieb: Hallo Daniel,
Laserlinsen reinigt man nicht mit Isopropanol, da es, wie du selbst gemerkt hast, schmiert. Zudem erzeugst du mit der Putzerei feinste Kratzer auf der Linse, die einen Doppelbrechungseffekt erzeugen.
Weiterhin werden die Laufschienen nicht mit irgendwelchen Fetten zugekleistert, sondern mit geeigneten Ölen neu geschmert. Hakt der Schlitten auf der Schiene für ein paar 10-100ms, hast du das Spiel schon verloren. Das Zusammenspiel zwischen Laseroptik und dem Schlitten muss 100% funktionieren.
Dann noch der Hinweis, dass die meisten Laseroptiken nicht gasdicht sind. Hast du ein Gerät aus einem Raucherhaushalt, kannst du den Laser in der Regel vergessen. Die inneren Linsen werden blind und streuen dadurch den Laserstrahl.
Dann noch eine Frage: hast du denn die Kiste mal versucht (neu) abzugleichen? Manchmal rettet das den Player ja noch für eine gewisse Zeit.
Ich hab jetzt ja auch nicht das genommen, was ich eben zur Verfügung hatte, sondern schon bewusst ausgewählt. In 80 Prozent der Foren werden bei leichten Fällen Fensterreiniger oder destilliertes Wasser und bei hartnäckigen hochprozentiges Isopropyl empfohlen. Für die Schmierung harzfreies Fett.
Aber die guten Nachrichten:- Der Player läuft nach meiner Vergewaltigung um Welten besser als zuvor:
- Die CD wird sofort beim Einlegen erkannt
- Ab Titel drei gibt es kein Springen mehr und sie läuft bis zum Ende durch.
Somit bleiben folgende Macken:- Meist wird erst beim dritten oder vierten Versuch abgespielt, zuvor läuft das Laufwerk an, der Laser kriecht aus seinem Loch und versteckt sich wieder.
- Titel 1-3 springen noch teilweise heftig nach vorn und hinten.
Das könnte jetzt theoretisch damit zu tun haben, dass die Schiene vorne noch nicht geschmiert ist, da ich die Einheit noch nicht nach hinten fahren konnte.
Gerätschaften zum Neuabgleich habe ich leider nicht hier. Mal sehen, wie es läuft, wenn die komplette Führung geschmiert ist.
Dann bleibt immer noch Zeit, wild an den Filtern zu drehen
Natürlich nicht.
(07.12.2021, 09:50)scope schrieb: Reinigen der oberen Optik kann man natürlich mit Isopropanol (hochrein) durchführen. Die gängigen "spezial" Linsenreiniger bestehen zum allergrößten Teil daraus. Wenn das nicht funktionieren würde, hätten es Millionen Bastler (mit Ausnahmen) bis heute sicher mitbekommen.
Die Laufschienen werden bereits ab Werk mit Fetten ausgeliefert. In den meisten Fällen das bekannte "weisse" Fett, das auch für Zahnräder aller Art Verwendung findet.
Natürlich wird auch ein nicht verharzendes Öl erst mal für Bewegung sorgen.
Der TE ist wie die meisten Bastler sicher nicht in der Lage, einen "historischen" CD Spieler mit 5 , 6 oder 7 Abgleichstellen wieder da hin zu bewegen, wo er -wirklich- hingehört.
Um das zu bewerkstelligen reicht ein Oszilloskop (das auch erst mal vorhanden sein muss) nicht immer aus. Dazu kommt noch, dass man sich mit der Anatomie der Sache auskennen sollte.
So wie ich es anhand der bisherigen Texte auffasse, ist der TE nicht dazu prärestiniert, einen klassischen CD Spieler zu reparieren. Es sei denn, er hat Glück, und findet einen lockeren Stecker, oder eine ausgehängte Feder.
Die Worte werden dem einen oder anderen wieder mal nicht gefallen, aber so sieht es nun mal aus.
Edit: Natürlich kann der Fehler überall zu finden sein. Ich halte es aber für naheliegend, dass der Laser zu Beginn der Aktion bereits an der Grenze war und nur noch wenig Emission erreichte. Durch diverse Einflüsse, von denen berichtet wurde (Sturz, Schlag, Tellerhöhe?, Druck auf die obere Optik usw)...ist jetzt eine Grenze überschritten.
Mit Hausmitteln ist hier Schluss, sofern nicht ein loses Kabel etc. gefunden wird. Das ist bei solchen Berichten ja bekanntlich nicht selten..... 
Wünsche natürlich trotzdem viel Erfolg.
Hallo scope,
ich gebe dir in allen Punkten Recht.
Die technische Ausstattung geschweige dessen das Wissen, das z. B. du besitzt habe ich definitiv nicht. Prinzipiell will ich hier nur versuchen, ob die Fehler des Geräts, wie in den meisten Fällen (jüngerer) defekter CD-Spieler, mit den zwei einfachsten Wartungsmöglichkeiten zu beheben sind. Dem Reinigen der Linse und dem Schmieren der Führungsschienen. Fehleranalyse auf Leiterbahnen kann ich nicht betreiben, höchstens messen, ob ein Kondensator noch wie vorgesehen funktioniert. Wie oben schon geschrieben, läuft das Gerät zumindest um Welten besser als zuvor. Ist doch schon ein kleiner Teilerfolg :-)
Ein loses Kabel habe ich aber leider noch nicht gefunden  Auch die Sicherung ist wohl o.k.
Das Teil hat mich eine handvoll Euro gekostet und würde im Idealfall meinen DVD-Player ersetzen.
Danke, ich seh zu was ich noch tun kann. Wunder gibt es immer wieder
Grüße
Daniel
Beiträge: 575
Themen: 9
Thanks Received: 485 in 181 posts
Thanks Given: 80
Registriert seit: May 2021
Bewertung:
5
 scope: Dann fette mal einen Sony Linearmotor mit weißer Pampe. Viel Spaß beim wegschmeißen. Die Sony Techniker würden dir dafür den Hintern versohlen. Und wenn Millionen aus dem Fenster springen, muss ich ja nicht hinterher springen. Hast du ein Mal die Linse versaut, hast du das Spiel i.d.R. verloren. Glaslinsen sind wohl eher die Seltenheit.
Aber es gilt das, was ich immer sage: jeder kann machen, was er will und für richtig hält.
Und bei vier Trimmern geht man wie folgt vor:
1.) Man hat keine Ahnung, was man tut und macht deshalb von der Stellung der Trimmer ein hoch auflösendes Foto.
2.) Man hat nicht einmal eine Kamera. Dann markiert man sich die Trimmerstellung mit einem Bleistift am Trimmer selbst.
3.) Man versucht sein Glück nach der Anleitung im Video und verstellt die entsprechenden Trimmer in der angegebenen Reihenfolge.
4.) Man merkt sich die linke und rechte Stellung, wo es nicht mehr funktioniert und wählt erst mal die Mittelstellung zwischen beiden Punkten.
5.) Ist man dem Ziel näher gekommen, kann man die "Einstellungen" noch ein wenig nach Gehör optimieren. Die Servos sollten nicht zu viel Lärm machen.
6.) Kommt man gar nicht zum Ziel, stellt man alle Trimmer wieder auf die Ausgangsstellung nach Foto oder Strich zurück.
Ja scope, alles nicht in deinem Sinne, aber die Möglichkeit, dass die Kiste danach zu über 50% wieder läuft, ist recht groß. Auch ohne scope und scope (kleines Wortspiel  ).
Wegschmeißen kann man so ein Gerät nach erfolglosem Versuch immer noch. Der finanzielle Verlust hält sich in überschaubaren Grenzen.
Und Fett verwenden sie ab Werk halt deswegen, weil sie Angst haben, dass Öl durch Lagerung / Transport nicht da bleibt, wo es soll. Fette funktionieren auch, sind aber eher suboptimal.
Beiträge: 1.959
Themen: 129
Thanks Received: 1.452 in 640 posts
Thanks Given: 3.489
Registriert seit: Jan 2011
Bewertung:
7
08.12.2021, 00:10
(Dieser Beitrag wurde zuletzt bearbeitet: 08.12.2021, 00:32 von zoolander.)
Momentan läuft der Player mit ner Kauf CD von 1993 bis auf die beschriebenen Macken ziemlich perfekt und ohne Sprünge. Man muss eben Alben wählen, bei denen die ersten Songs Murks sind  Das werden wir hier hier doch auch noch laienhaft in den Griff bekommen
Macht echt Spaß das Ding. Und CDs habe ich tatsächlich die letzten Jahre praktisch nur im Auto gehört. Zuhause nur Kassette oder Streaming.
Als Nächstes brenne ich mir mal ne neue CD in langsamer Geschwindigkeit, damit ich auch was ohne Kratzer zum Testen habe.
Gibt es bei Akai evtl. eine Service-Option wie bei Technics? Mit der man den Schlitten quasi automatisch in die Randposition fahren lassen kann? Im Service Manual steht dazu leider nichts. Dann könnte ich den Schlitten bequem schmieren ohne dass ich überhaupt etwas ausbauen muss. Auf dem Board und im Manual habe ich keinen Schalter entdecken können.
Für das Gerät habe ich vier Euro gezahlt. Selbst im Verhältnis zu anderen Gebrauchtgeräten lohnt sich da keine Überarbeitung mit professionellem Equipment. Ist ja kein hochgehandeltes Modell.
Was die Trimmer betrifft habe ich mich mittlerweile auch grob eingelesen und ein paar Anleitungen runtergeladen. Mal sehen...
Grüße
Daniel
Beiträge: 15.465
Themen: 804
Thanks Received: 28.167 in 6.736 posts
Thanks Given: 2.425
Registriert seit: Oct 2014
Bewertung:
129
08.12.2021, 09:13
(Dieser Beitrag wurde zuletzt bearbeitet: 08.12.2021, 09:37 von scope.)
Zitat:scope: Dann fette mal einen Sony Linearmotor mit weißer Pampe. Viel Spaß beim wegschmeißen. Die Sony Techniker würden dir dafür den Hintern versohlen.
Es gibt zweifellos unzählige Orte und Anwendungsbeispiele, wo Fette ungeeignet sind. Von offenen Wunden, über optische Linsen, bis hin zu Lautsprechermembranen.
Deine "Reaktion" ist unverständlich.
Zum Rest äussere ich mich besser nicht, da ich nicht in Stimmung bin. Hoffnungsloser Fall.
 Zoolander
Zitat:Macht echt Spaß das Ding.
Auf mich wirkt es einfach nur "verstörend" , wenn du bei diesem defekten, nicht wirklich verwendbaren Gerät von "Spass" berichtest. Es sei denn, dass du damit die Beschäftigung an sich meinst, die dir dabei hilft, die Langeweile zu besiegen.
Ich gehe einfach mal davon aus, dass man es in diesem Fall wie ein "Puzzlespiel" von Ravensgurger sehen muss, und das die eigentliche, zielgerichtete Reparatur nicht im Vordergrund steht....Quasi eine "Beschäftigung" , bei der du den (möglichst lange?) andauernden Weg als Ziel betrachtest....oder?
Beiträge: 575
Themen: 9
Thanks Received: 485 in 181 posts
Thanks Given: 80
Registriert seit: May 2021
Bewertung:
5
Scoopy! Da möchte jemand ein wenig "schrauben" und vielleicht Erfahrungen sammeln und sich über ein (mögliches) Erfolgserlebnis freuen. Das Teil hat 4 Euro gekostet, also billiger als dein erster Elektronik-Bastelkasten.
ANGEKOMMEN?
Beiträge: 15.465
Themen: 804
Thanks Received: 28.167 in 6.736 posts
Thanks Given: 2.425
Registriert seit: Oct 2014
Bewertung:
129
08.12.2021, 10:16
(Dieser Beitrag wurde zuletzt bearbeitet: 08.12.2021, 12:03 von scope.)
Das habe ich nach seinem letzten Beitrag auch bemerkt. Es spielt dabei gar keine Rolle, ob er 4, oder 400 € bezahlt hat, wenn er einfach nur eine Beschäftigung sucht...mal hier drehen...mal da drücken...usw. Er hätte das ruhig von Anfang an so formulieren dürfen....Es hätte die "Diskussion" vermutlich abgekürzt.
Für "zumindest bedenklich" halte ich den mittlerweile forenüblichen Umstand, alle Menschen an den eigenen Lernprozessen teilhaben zu lassen. Sinnvolle Hilfe kann er anhand seiner Ausrüstung (nicht vorhanden), und seinem Grundwissen im Bereich CDP-Technik (nicht vorhanden) kaum erwarten.
Ich vergleiche es mit einem Ravensburger 500 Teile Puzzle. Ich lichte gleich zu Beginn ein Puzzleteil ab, stelle es hier zur Diskussion und frage die "Community" wo ich es platzieren soll, um ans Ziel zu gelangen.
Kurzum: "ja...angekommen"...
Beiträge: 575
Themen: 9
Thanks Received: 485 in 181 posts
Thanks Given: 80
Registriert seit: May 2021
Bewertung:
5
(08.12.2021, 10:16)scope schrieb: Sinnvolle Hilfe kann er anhand seiner Ausrüstung (nicht vorhanden), und seinem Grundwissen im Bereich CDP-Technik (nicht vorhanden) kaum erwarten.
Bin ganz bei dir  , aber warum soll man den Leuten ihren "Spaß" verderben?
Was ich dabei immer nur hoffe, dass alle Haushalte auch mit einem 10mA FI abgesichert sind  (na gut 30mA gehen auch). Die kosten ja heute nichts mehr ...
Beiträge: 1.959
Themen: 129
Thanks Received: 1.452 in 640 posts
Thanks Given: 3.489
Registriert seit: Jan 2011
Bewertung:
7
(08.12.2021, 09:13)scope schrieb: Zitat:Macht echt Spaß das Ding.
Auf mich wirkt es einfach nur "verstörend" , wenn du bei diesem defekten, nicht wirklich verwendbaren Gerät von "Spass" berichtest. Es sei denn, dass du damit die Beschäftigung an sich meinst, die dir dabei hilft, die Langeweile zu besiegen.
Ich gehe einfach mal davon aus, dass man es in diesem Fall wie ein "Puzzlespiel" von Ravensgurger sehen muss, und das die eigentliche, zielgerichtete Reparatur nicht im Vordergrund steht....Quasi eine "Beschäftigung" , bei der du den (möglichst lange?) andauernden Weg als Ziel betrachtest....oder?
(07.12.2021, 09:50)scope schrieb: Der TE ist wie die meisten Bastler sicher nicht in der Lage, einen "historischen" CD Spieler mit 5 , 6 oder 7 Abgleichstellen wieder da hin zu bewegen, wo er -wirklich- hingehört.
Um das zu bewerkstelligen reicht ein Oszilloskop (das auch erst mal vorhanden sein muss) nicht immer aus. Dazu kommt noch, dass man sich mit der Anatomie der Sache auskennen sollte.
So wie ich es anhand der bisherigen Texte auffasse, ist der TE nicht dazu prärestiniert, einen klassischen CD Spieler zu reparieren. Es sei denn, er hat Glück, und findet einen lockeren Stecker, oder eine ausgehängte Feder.
Die Worte werden dem einen oder anderen wieder mal nicht gefallen, aber so sieht es nun mal aus.
Edit: Natürlich kann der Fehler überall zu finden sein. Ich halte es aber für naheliegend, dass der Laser zu Beginn der Aktion bereits an der Grenze war und nur noch wenig Emission erreichte. Durch diverse Einflüsse, von denen berichtet wurde (Sturz, Schlag, Tellerhöhe?, Druck auf die obere Optik usw)...ist jetzt eine Grenze überschritten.
(08.12.2021, 10:16)scope schrieb: Das habe ich nach seinem letzten Beitrag auch bemerkt. Es spielt dabei gar keine Rolle, ob er 4, oder 400 € bezahlt hat, wenn er einfach nur eine Beschäftigung sucht...mal hier drehen...mal da drücken...usw. Er hätte das ruhig von Anfang an so formulieren dürfen....Es hätte die "Diskussion" vermutlich abgekürzt.
Für "zumindest bedenklich" halte ich den mittlerweile forenüblichen Umstand, alle Menschen an den eigenen Lernprozessen teilhaben zu lassen. Sinnvolle Hilfe kann er anhand seiner Ausrüstung (nicht vorhanden), und seinem Grundwissen im Bereich CDP-Technik (nicht vorhanden) kaum erwarten.
Ich vergleiche es mit einem Ravensburger 500 Teile Puzzle. Ich lichte gleich zu Beginn ein Puzzleteil ab, stelle es hier zur Diskussion und frage die "Community" wo ich es platzieren soll, um ans Ziel zu gelangen. 
Kurzum: "ja...angekommen"...
Sag mal scope,
 Kann es sein, dass du heute eventuell mit dem falschen Fuß aufgestanden bist?
Ich sehe jetzt wirklich keinerlei Grund, mich hier rechtfertigen zu müssen, da du mir hier aber Dinge andichtest, die ich weder geschrieben noch überhaupt im Sinn hatte, nehme ich mir trotzdem kurz Zeit zur Antwort. Wenn ich schon deine Zeit verschwendet habe, warum hängst du dich dann so rein?
Mal hier Drücken, mal hier Drehen? Häh? Wo habe ich Ähnliches geschrieben?
Möglichst lang andauernder Weg? Bisher habe ich ein paar Minuten investiert  Die meiste Zeit ging bei der Außenreinigung des Gerätes drauf.
Lies bitte noch einmal meine Beiträge in diesem Thread und beschränke dich nicht nur auf deine Kompetenzen. Nachdem ich den Player durch meine laienhaften Pfuschereien (aka Reinigung) von "springt bei jedem Titel und ist nicht verwendbar" zu "hat nur noch Probleme bei den ersten drei Titeln" gebracht habe, sehe ich das schon als Erfolg an.
Grenze überschritten? Du hast den Text aber schon verfolgt? Die Grenze von unbrauchbar zu brauchbar ist überschritten. Hast Recht. Vielleicht zeigt es einfach, dass manchmal auch Bastler Glück haben und nicht jedes Gerät eine Neujustierung benötigt.
Nachdem der TOC blitzschnell erkannt wird, glaube ich auch nicht an Probleme, die mit Drehen an Reglern beseitigt werden könnten. Ich schätze eher, es liegt nach wie vor an der Schmierung im vorderen Bereich der Schiene. Und genau darauf beziehen sich meine letzten Beiträge hier im Thema. Nachdem andere Probleme von alleine verschwunden sind (Plattenteller) wollte ich nur noch wissen, ob ich die Schrauben der Führungsschiene lösen kann, ohne den Laser zu dejustieren. Was hat das denn mit deiner Aussage "Sinnvolle Hilfe kann er anhand seiner Ausrüstung (nicht vorhanden), und seinem Grundwissen im Bereich CDP-Technik (nicht vorhanden) kaum erwarten"
Warum gleich so losgeifern? Mach dich mal locker  Wenn du magst frage ich dich beim Einstellen des nächsten Themas gern um Erlaubnis, damit du dich nicht so aufregen musst.
Entspannte Grüße
Grüße
Daniel
Beiträge: 15.465
Themen: 804
Thanks Received: 28.167 in 6.736 posts
Thanks Given: 2.425
Registriert seit: Oct 2014
Bewertung:
129
08.12.2021, 20:18
(Dieser Beitrag wurde zuletzt bearbeitet: 08.12.2021, 23:09 von scope.)
Zitat:Mal hier Drücken, mal hier Drehen? Häh? Wo habe ich Ähnliches geschrieben?
Hättest du es geschrieben, dann hätte ich es zitiert. Ich schrieb es, da du in das Gerät "wie ein Schwein ins Uhrwerk" reinschaust. (Die Redewendung kennst du hoffentlich?)
Das ist kein Verbrechen, aber man merkt es nun mal.
Zitat:Ich sehe jetzt wirklich keinerlei Grund, mich hier rechtfertigen zu müssen,
Das habe (zumindest ich) auch nie verlangt.
Zitat:Möglichst lang andauernder Weg? Bisher habe ich ein paar Minuten investiert
Deine Beschreibung der Vorgehensweise vermittelte eigentlich nicht diesen Eindruck.
Zitat:Grenze überschritten? Du hast den Text aber schon verfolgt? Die Grenze von unbrauchbar zu brauchbar ist überschritten.
Ja, genau...Ich habe den Text sehr genau verfolgt. Ob die untere Grenze der Emission überschritten (bessergesagt unterschritten) wurde, kannst du nicht feststellen. Es wäre aber der erste Schritt, um den man sich kümmern müsste, bzw. den man prüfen sollte, um nicht in eine Sackgasse zu laufen.
Ich schrieb übrigens, dass ich es für naheliegend halte, und nicht, dass es auf jeden Fall so sein müsse. In diesem Fall habe nicht ich schlecht gelesen, sondern vielmehr du, da du vermutlich gar nicht genau weisst, worüber ich da überhaupt schrieb...oder?
Mit der Grenze war die Emission....und nicht DEINE Grenze gemeint....Deine Grenze ist hier offensichtlich ohnehin überschritten  Das ist gar nicht böse gemeint, aber es ist nun mal so.
Zitat:Ich schätze eher, es liegt nach wie vor an der Schmierung im vorderen Bereich der Schiene.
Das ist es ja gerade.....Selbst ein Gelegenheitsbastler hätte keine Mühe dieses Problem, (sofern es dort überhaupt eines gibt) in etwa 2 bis 3 Minuten zu lösen. Dazu muss man kein Profi sein.
Zitat:Was hat das denn mit deiner Aussage "Sinnvolle Hilfe kann er anhand seiner Ausrüstung (nicht vorhanden), und seinem Grundwissen im Bereich CDP-Technik (nicht vorhanden) kaum erwarten" ...zu tun....
Genau das, was ich schrieb. Du kannst "hier drehen.....da wackeln....da drücken....usw....", und wenn du Glück hast, wird das Teil am Ende die eine oder andere CD mit mehr oder weiniger erheblichen Fehlerraten abspielen....und du wirst erst mal glücklich sein.
nicht mehr ...und nicht weniger.
Ich wollte nur deutlich machen, dass du in so einem Fall die "Schwarmintelligenz" nicht nutzen kannst, da du praktisch blind bist....Mit blind meine ich, dass du nicht feststellen kannst, was der Player gerade macht, und wie er es gerade macht.....Das ist nun mal so.
Nenne mich Spielverderber oder Arschloch....aber es bleibt trotzdem so..  Ganz gleich, wieviele mehr oder weniger tolle Tips du bekommst.
Zitat:Warum gleich so losgeifern? Mach dich mal locker
Ich bin zurzeit tiefenentspannt....Ehrenwort!
Beiträge: 126
Themen: 11
Thanks Received: 98 in 37 posts
Thanks Given: 26
Registriert seit: Nov 2021
Bewertung:
0
08.12.2021, 22:05
(Dieser Beitrag wurde zuletzt bearbeitet: 08.12.2021, 22:07 von El Tinnitus.)
moin
 scope
"Ich bin zurzeit tiefenentspannt....Ehrenwort! "
 Glaub ich dir aufs Wort,
Ich brauchte mindesten ne halbe Std. um zu lesen und verstehen. 
Für so eine Antwort bräuchte ich für das Schreiben 1Std. 
Von der Zeit für die Formulierung mal ganz abgesehen... 
KüTiBa und FuBa, Halbwissen, zwei linke Hände... Ideal-Kombination
Ich zähl mich auch dazu.. So würde ich mich bezeichnen
Beiträge: 575
Themen: 9
Thanks Received: 485 in 181 posts
Thanks Given: 80
Registriert seit: May 2021
Bewertung:
5
Hallo Daniel,
um hier wieder ein wenig Ruhe rein zu bringen, versuche ich es dir in wenigen Worten zu erklären:
- Es liegt (wahrscheinlich) erst einmal nicht an der Schmierung. Die Umdrehungsgeschwindigkeit der CD ist beim ersten Titel am höchsten und beim letzten am niedrigsten, wobei die relative Abtastgeschwindigkeit immer gleich ist, ganz im Gegensatz zur Schallplatte.
- Die CD besteht aus Pit und Land (Berg und Tal) Informationen. Je höher die Umdrehungsgeschwindigkeit der CD ist, um so mehr verschwimmt der Übergang zwischen Pit und Land, wodurch ein enorm hoher Jitter entsteht, welcher vom Korrekturnetzwerk und den Servos nicht mehr korrigiert werden kann.
- Das entsteht in vielen Fällen dann, wenn entweder der Focus nicht stimmt oder der Laser verschlissen ist. Du kann den Versuch machen und den CD Player auf die Seite stellen und schauen, ob die ersten Titel dann abgespielt werden. Das würde darauf hindeuten, dass die Aufhängung der Linse ermüdet ist.
- In diesen Fällen könnte man versuchen das durch Korrektur des Tracking und Focus Gain bzw. das Tracking und den Focus selbst zu beheben. Dafür sind diese vier Potis. Es wird in deinem Fall wohl beides sein - Verschleiß und Materialermüdung. Ob der Laser noch genug Leistung abgibt, kannst du nur messtechnisch erfassen.
- Ich habe verschiedene Test CDs mit Exzentrik, Höhenschlag, Pressfehlern im Bereich der ersten Titel, Doppelbrechungseffekten am Ende der CD und und und. Mit diesen CDs kann man gewisse Tests anstellen und über die entsprechenden Messpunkte sehen, was wo noch hakt. Aber bei dem Thema bist du raus. Es geht ja nur darum, dass die CDs wieder abgespielt werden, und nicht darum neue Weltrekorde aufzustellen.
Das ganze System in sich ist sehr komplex und kann ich dir auf die schnelle so nicht erklären. Ich habe darüber über 200 Seiten Sony Entwicklungsabhandlung auf dem Dachboden stehen.
Eine der wichtigen Informationen ist noch, dass dein Gerät einen 3-Strahl Laser hat. Der linke und rechte Strahl gibt den Servos die Information, wie weit der Hauptstrahl vom Mittelpunkt der Spur entfernt ist. Vermutlich ist auch die innere Linse beschlagen und der Laserstrahl wird durch die beschlagene Oberfläche schon vor dem Austritt ge-/zerstreut. Das gibt dann keine präzisen Informationen mehr über das Tracking und was der Tracking Servo machen soll. Daher kommt das wilde hin- und herspringen.
So, ist schon spät, aber vielleicht kannst du mit den Informationen ja was anfangen.
1 Mitglied sagt Danke an Accu-Fan für diesen Beitrag:1 Mitglied sagt Danke an Accu-Fan für diesen Beitrag
• zoolander
Beiträge: 15.465
Themen: 804
Thanks Received: 28.167 in 6.736 posts
Thanks Given: 2.425
Registriert seit: Oct 2014
Bewertung:
129
08.12.2021, 23:07
(Dieser Beitrag wurde zuletzt bearbeitet: 08.12.2021, 23:30 von scope.)
Zitat:Je höher die Umdrehungsgeschwindigkeit der CD ist, um so mehr verschwimmt der Übergang zwischen Pit und Land,
Warum sollte das passieren, WENN die relative Geschwindigkeit zwischen Laser und CD-Spur (den pits) konstant bleibt?
Pit & Land "passieren" bei CLV den Laserstrahl auf den innerenn und äusseren Spuren immer mit (nahezu) der selben Geschwindigkeit.
Beiträge: 575
Themen: 9
Thanks Received: 485 in 181 posts
Thanks Given: 80
Registriert seit: May 2021
Bewertung:
5
Das ist richtig. Ich habe versucht, es möglichst einfach verständlich für den T.E. zu erklären. War mir aber klar, dass es in die Hose geht, besonders an dieser Stelle.
Ich ergänze hierzu einfach verständlich: Pit / Land "verschwimmt" im Innenbereich stärker, weil durch die höhere Umdrehungsgeschwindigkeit viele viele andere Parameter der CD Abtastung nicht mehr stimmen. Je höher die Umdrehungsgeschwindigkeit, um so schneller müssen die Servos arbeiten, was in dem einen oder anderen Fall für zusätzliche Abtastfehler sorgt. Die CD Abtastung besteht aus ca. 30 auswertbaren Parametern wie HF, C1, C11, C31 (nur als Beispiel aufgeführt).
Und, nein, ich scanne die 200 Seiten nicht und stelle sie auch nicht ein. -> Copyright
Beiträge: 15.465
Themen: 804
Thanks Received: 28.167 in 6.736 posts
Thanks Given: 2.425
Registriert seit: Oct 2014
Bewertung:
129
09.12.2021, 09:29
(Dieser Beitrag wurde zuletzt bearbeitet: 09.12.2021, 09:29 von scope.)
Zitat:Ich ergänze hierzu einfach verständlich: Pit / Land "verschwimmt" im Innenbereich stärker, weil durch die höhere Umdrehungsgeschwindigkeit viele viele andere Parameter der CD Abtastung nicht mehr stimmen.
Auch das würde ich so nicht stehen lassen wollen. Es würde bedeuten, das der Pit-Jitter in den inneren Spuren "per se" und sozusagen "systembedingt" größer ausfällt, als in äusseren Bereichen.
Das ist aber nicht der Fall. Es ist "mitunter" sogar genau andersherum, da der immer vorhandene Höhenschlag im äusseren Bereich zunimmt, und besonders bei defekten (verwellten) CD, sowie einer Beschädigung der manchmal vorhandenen Tellerauflage (Gummi, Filz...) dazu führen kann, dass man es nicht nur sehen, sondern auch messen kann.
Das ist aber eher selten und wird erst dann bemerkt, wenn es zum Spurverlust kommt.
Zitat:Die CD Abtastung besteht aus ca. 30 auswertbaren Parametern wie HF, C1, C11, C31 (nur als Beispiel aufgeführt).
Auch das sorgt -zumindest bei mir- für mehr Verwirrung anstelle von Information. Es ist mir ein Rätsel, wie man den Begriff "HF" (der für die "Rohinformation" aus den Fotozellen, also das Augensignal steht) , zusammen mit "C1" (Fehlerkorrekturstufe 1) und den beiden weiteren, Kombinationen als Beispiel für "was auch immer" aufzählen kann.
Es wäre durchaus interessant, wenn du "kurz und bündig" mal etwas zu den Beispielen C11 und C31 schreiben könntest.
Beiträge: 575
Themen: 9
Thanks Received: 485 in 181 posts
Thanks Given: 80
Registriert seit: May 2021
Bewertung:
5
09.12.2021, 09:44
(Dieser Beitrag wurde zuletzt bearbeitet: 09.12.2021, 09:45 von Accu-Fan.)
(09.12.2021, 09:29)scope schrieb: Es wäre durchaus interessant, wenn du "kurz und bündig" mal etwas zu den Beispielen C11 und C31 schreiben könntest.
Kurz und Bündig: Weitere Fehlerkorrekturlevel.
Aber schaust du hier: http://www.fl-electronic.de/live_connect...uning.html
Der Wunderheiler für alle CD Probleme
Beiträge: 15.465
Themen: 804
Thanks Received: 28.167 in 6.736 posts
Thanks Given: 2.425
Registriert seit: Oct 2014
Bewertung:
129
09.12.2021, 09:45
(Dieser Beitrag wurde zuletzt bearbeitet: 09.12.2021, 09:47 von scope.)
OT und für den TE sicher ungeeignet, aber für alle zumindest halbwegs Versierten  , die oft oder auch gewerblich immer wieder mit historischen CD-Spielern zu tun haben, empfehle ich
dieses Gerät:
Sie werden es nicht mehr missen wollen.
Beiträge: 15.465
Themen: 804
Thanks Received: 28.167 in 6.736 posts
Thanks Given: 2.425
Registriert seit: Oct 2014
Bewertung:
129
Du verlinkst auf eine Seite, auf der Tuningartikel angeboten werden. Dort finde ich nichts über C11 und C31.
Warum verlinkst du diese Seite?? Welchen Sinn macht es?
Im red book (CDA) Standard gibt es nur zwei Korrekturstufen. Das sind immer noch C1 und C2.
Du sollterst vielleicht mal "dein Buch" vom Speicher holen.
Beiträge: 575
Themen: 9
Thanks Received: 485 in 181 posts
Thanks Given: 80
Registriert seit: May 2021
Bewertung:
5
Scopy, du nervst mit deinem Halbwissen!  , wenn man keine Ahnung hat und nur Messgeräte empfehlen kann und Geräte repariert. Ein altes Sprichwort sagt: Schuster, bleib bei deinen Leisten.
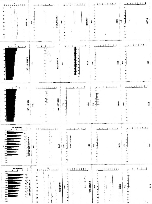
Aber extra für dich eine Teilauswertung einer CD Analyse. Ich BETONE: ein Teil! Nicht, dass du hinterher wieder rummeckerst. Extra für DICH!
So und jetzt mecker wieder über die Bildqualität und das du nichts verstehst. Ich find´s lustig, wie du dich so nach und nach disqualifizierst. Aber beruhige dich - ich weiß auch nicht ALLES.
Da das rumgelaber für den weiteren Verlauf nicht zielführend ist und sowieso die meisten nichts mehr verstehen und schon längst ausgestiegen sind, ist für mich hier auch Schluß.
Beiträge: 15.465
Themen: 804
Thanks Received: 28.167 in 6.736 posts
Thanks Given: 2.425
Registriert seit: Oct 2014
Bewertung:
129
09.12.2021, 11:24
(Dieser Beitrag wurde zuletzt bearbeitet: 09.12.2021, 11:28 von scope.)
Zitat:ist für mich hier auch Schluß.
Hallo....bitte nicht so schnell!
Es wäre ein feiner Zug, wenn du mir die Grafik und den Zusammenhang der dort abgebildeten Messungen kurz erklären könntest. Ich bin mir sicher, dass ich nicht der Einzige bin, der Interesse zeigt.
C11 und C31 finde ich dort ebenfalls nicht.
Aus welchem "Buch" oder welchem Dokument stammt die Grafik?
|