Beiträge: 15.380
Themen: 802
Thanks Received: 28.111 in 6.708 posts
Thanks Given: 2.418
Registriert seit: Oct 2014
Bewertung:
127
29.09.2019, 11:01
(Dieser Beitrag wurde zuletzt bearbeitet: 01.10.2019, 16:02 von scope.)
Die meisten Plattenspieler mit Klapphaube gefallen mir nicht besonders, aber der Kenwood kommt mit seinem Kunststeingehäuse gar nicht so schlecht bei mir an.
Die Elektronik ist des PLL-Direkttrieblers ist zwar gar nicht so sehr umfangreich, fällt aber nach Jahren relativ häufig aus. Es gab m.W. immer wieder Service Bulletins, in denen zusätzliche, oder andere Bauteile empfohlen wurden.
Noch sieht er etwas zerpflückt aus. Der Lift muss neu befüllt werden. Ich werde es zuerst mit 300000 er Lift- Fett  versuchen. Ich hatte schon zwei davon vor Ort, aber dieser hier ist noch schön hell und nicht fleckig oder verfärbt.
Übliche Fehler:
* Der Antrieb reagiert überhaupt nicht, obwohl die beiden Anzeigen der Sensortasten korrekt arbeiten.
* Der Antrieb "ruckt und zuckt", dreht aber nicht an.
* Der Antrieb läuft an, dreht aber viel zu schnell . Die PLL rastet nicht.
* Der Antrieb läuft in einer oder beiden Geschwindigkeiten verkehrt herum (Bremse).
Oder eben Kombinationen daraus
Im ersten Moment drehte sich hier gar nichts. Hin und wieder drehte er sporadisch für Sekunden.....
Die Fehlersuche gestaltet sich aufwendiger als üblich. Ich habe ihn mit Stelzen etwa im 45Grad Winkel aufgestellt, um zu messen und gleichzeitig den Motor zu beobachten.
Während der eigentlichen Arbeiten stand er dann ohne Teller hochkant.
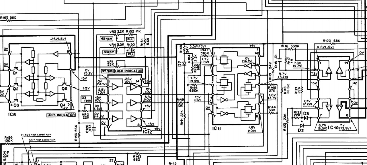
Es fiel auf, dass das Gerät durch leichtes biegen der Platine zumindest Andrehte. Nach langer Suche stellte sich heraus, dass es im Bereich um den gekapselten Oszillator eine Kontaktstörung gab, die man mit dem Auge nicht erkennen konnte. Ausgiebiges nachlötten des gesamten Bereichs hat diesen Fehler behoben. Wo die Stelle genau war, die für den Abriss der Oszillation war, konnte ich aber im Nachhinein nicht mehr feststellen. (Im Schaltbild der blaue Bereich)
Die Platine ist übrigens zweilagig ausgeführt. Beim Auswechseln von Bauteilen sollte man vorsichtig sein, da sie thermisch nicht viel verträgt.
Danach drehte der Motor zwar an, lief aber nur in pos 45 rpm . außerdem rastete die PLL nicht ein. Er lief deutlich zu schnell, was mit den PLL Trimmern nicht zu beeinflussen war.
Es stellte sich heraus, dass IC10 (ein gewöhnlicher LM324) für die Verarbeitung der FG Signale (roter Kreis) stark oszilliert, und die FG Signale darin weitgehend untergingen.
Nach Wechsel des OP war der Effekt verschwunden. Zuvor wurden neben den beiden "involvierten" Elkos gleich alle Elkos erneuert, da die Anzahl überschaubar war. Ein paar hatten einen überhöten ESR, was aber nicht die Ursache für die Probleme war. Der Netzelko wurde nicht erneuert.
Nach Justage der PLL lief das Gerät in pos 45 rpm ordentlich. Zur Kontrolle habe ich erst mal eine Stroboskopscheibe aus Papier verwendet.
Da mir der verbliebene Fehler bereits vorher schon von anderen KD650 bekannt war, schaute ich mir zuerst die Spannungen an IC12 genauer an, und IC12 war auch hier wieder defekt. Ein 6x open drain mos Buffer, von dem ich keinen mehr hier habe. Der kommt wohl Anfang der Woche. Danach sollte dann auch 33 rpm laufen.
Nur der eigentliche PLL Baustein ist mittlerweise sehr schwer erhältlich. Ich habe keine Ahnung, was von den Angeboten auf "Ali-Express" zu halten ist. Wären es gute Kopien, dann könnten die Verkäufer sie sicher erfolgreich(er) auf Ebay anbieten, ohne dass es zu Problemen mit den Kunden (und Rückzahlungen!) käme. Das ist m.E. etwas verdächtig.
Demnächst stelle ich hier noch ein paar Bilder vom kompletten Gerät mit 1A Haube, und eine Gleichlaufmessung ein.
23 Mitglieder sagen Danke an scope für diesen Beitrag:23 Mitglieder sagen Danke an scope für diesen Beitrag
• kandetvara, Frunobulax, Caspar67, Mainamp, Hippman, Stu, onkyo, Dude, HVfanatic, DarknessFalls, Der Suchende, oldsansui, HifiChiller, Test, hadieho, timundstruppi, lukas, Helmi, Frank K., traveller, cola, Schwarzdreher, Siamac
Beiträge: 14.002
Themen: 397
Thanks Received: 7.630 in 3.347 posts
Thanks Given: 3.533
Registriert seit: Jul 2013
Bewertung:
110
Den kenne ich doch
hat der 650er auch die Probleme, die einige 750er befällt ?
Da hatte der Armin ja mal etwas geschrieben..
Beiträge: 15.380
Themen: 802
Thanks Received: 28.111 in 6.708 posts
Thanks Given: 2.418
Registriert seit: Oct 2014
Bewertung:
127
29.09.2019, 11:40
(Dieser Beitrag wurde zuletzt bearbeitet: 29.09.2019, 11:40 von scope.)
Ja, es gibt da wohl Ähnlichkeiten. Einen 750 hatte ich aber noch nicht .
Beiträge: 14.002
Themen: 397
Thanks Received: 7.630 in 3.347 posts
Thanks Given: 3.533
Registriert seit: Jul 2013
Bewertung:
110
mein 750er hatte auch Probleme und der Cpt Difool hat lange gebraucht, den / die Fehler zu beheben.
Beiträge: 15.380
Themen: 802
Thanks Received: 28.111 in 6.708 posts
Thanks Given: 2.418
Registriert seit: Oct 2014
Bewertung:
127
01.10.2019, 11:58
(Dieser Beitrag wurde zuletzt bearbeitet: 01.10.2019, 16:00 von scope.)
Wenn alles so läuft wie es gedacht war, dann verhält sich die PLL und deren Anzeige wie im Video zu sehen:
Die Gleichlaufschwankungen kann ich mit den vorhandenen Platten leider nicht 100%ig prüfen, da die Platte limitiert. Alle Direkttriebler die ich hier habe (und hatte) erreichen um 0,05% WRMS . Darunter geht nichts.
![[Bild: jis.jpg]](https://i.postimg.cc/G26hSnYv/jis.jpg)
Lift ist befüllt, ist aber m.E. immer noch nicht das gelbe vom Ei....
Beiträge: 10.552
Themen: 52
Thanks Received: 4.932 in 2.897 posts
Thanks Given: 24.386
Registriert seit: Jul 2015
Bewertung:
29
Sehr schönes Gerät.
Achte auf Deine Gedanken, denn sie werden Worte.
Achte auf Deine Worte, denn sie werden Handlungen.
Achte auf Deine Handlungen, denn sie werden Gewohnheiten.
Achte auf Deine Gewohnheiten, denn sie werden Dein Charakter.
Achte auf Deinen Charakter, denn er wird Dein Schicksal.
Üblich ist für den Lift die Viskosität von 500.000 - dann geht er auch etwas langsamer. 300.000 ist etwas zu dünn.
Der KD-650 ist eine echte Diva, hat schon Ärger gemacht, als das Modell frisch auf den Markt kam. Es wurden allein sieben Service-Bulletins heraus gegeben, was nur bei epidemisch auftretenden Fehlern gemacht wurde. Bei selteneren Vorkommen gab es nur handschriftliche, interne Vermerke - die Bulletins wurden veröffentlicht. In diesen kann man nachlesen, dass die IC's 1, 9, 10 und 12 häufig defekt sind, außerdem sollten die Widerstände R175, 176 und 177 von 5M1 auf 3M3 bis 1M0 verkleinert werden (betrifft lediglich die Empfindlichkeit der Berührungs-Sensoren).
Gilt auch alles für den KD-600 (identisches Laufwerk, nur ohne Tonarm). Der KD-750 ist der Nachfolger und eine andere, wenn auch ähnliche Konstruktion.
Beste Grüße
Armin
Beiträge: 15.380
Themen: 802
Thanks Received: 28.111 in 6.708 posts
Thanks Given: 2.418
Registriert seit: Oct 2014
Bewertung:
127
01.10.2019, 12:27
(Dieser Beitrag wurde zuletzt bearbeitet: 01.10.2019, 12:28 von scope.)
Mein Problem ist nicht die Viskosität, sondern dass sich der Kolben im Zylinder hin und wieder verkantet (stecken bleibt)...Er senkt dann nicht bis zum Ende. Tippt man ihn leicht an, geht´s weiter.
Das liegt m.E. daran, dass sich im Zylinder leichte Furchen oder eben Spiel gebildet hat, da der Lift wohl lange Zeit "trocken" verwendet wurde. Er ist m.E quasi "ausgeschlagen". Da geht´s um minimale Toleranzen. Der Kolben wird über den Auflagebügel ja immer einseitig belastet.
In 8 von 10 Vorgängen geht´s , aber eben nicht 100% zuverlässig. Da habe ich dann abgebrochen.
1 Mitglied sagt Danke an scope für diesen Beitrag:1 Mitglied sagt Danke an scope für diesen Beitrag
• Hippman
In solchen Fällen liegt es meist an der erlahmten Feder. Reckt man diese um etwa ein Drittel ihrer Länge, geht es meistens wieder.
Beste Grüße
Armin
Beiträge: 15.380
Themen: 802
Thanks Received: 28.111 in 6.708 posts
Thanks Given: 2.418
Registriert seit: Oct 2014
Bewertung:
127
01.10.2019, 13:01
(Dieser Beitrag wurde zuletzt bearbeitet: 01.10.2019, 13:47 von scope.)
Alles probiert....ist jetzt auch eine etwas stärkere Feder drin...Dennoch nicht 100% zuverlässig. Vielleicht packt mich nachher nochmal der Ehrgeiz, und ich versuche eine nochmals stärkere Feder. Allerdings wird dann auch die Absenkgeschwindigleit immer schneller, was nicht erwünscht ist. Nochmals stärkere Feder in Verb. mit 500000er könnte das Problem evtl. verbessern.
Beiträge: 15.199
Themen: 186
Thanks Received: 29.689 in 7.617 posts
Thanks Given: 18.548
Registriert seit: Jul 2011
Bewertung:
76
....der Kolben im Zylinder hin und wieder verkantet (stecken bleibt)
Ich habe überhaupt keine Ahnung aber kann man denn nicht Kolben und Zylinder mit 320-400er Wasserschleifpapier bearbeiten?
Ich bin ein Heimkind und äußere mich wegen dieser tüpartigen Diskriminierung nicht.
Beiträge: 15.380
Themen: 802
Thanks Received: 28.111 in 6.708 posts
Thanks Given: 2.418
Registriert seit: Oct 2014
Bewertung:
127
01.10.2019, 18:39
(Dieser Beitrag wurde zuletzt bearbeitet: 01.10.2019, 18:41 von scope.)
Dann würde der Effekt womöglich zunehmen. Das möchte ich nicht austesten. Mit einer noch stärkeren (oberen) Feder geht es jetzt. Allerdings ist die "Absenkgeschwindiglkeit" nicht mehr so gering , wie ich es gerne hätte.
Man kann m.E. jetzt damit leben. Es ist besser als vorher, als gar kein Öl drin war.  Eigentlich ist es kein Öl, eher "Fett" bzw. dicker Honig.
Beiträge: 1.263
Themen: 15
Thanks Received: 2.272 in 665 posts
Thanks Given: 3.080
Registriert seit: Apr 2019
Bewertung:
18
(01.10.2019, 11:58)scope schrieb: Die Gleichlaufschwankungen kann ich mit den vorhandenen Platten leider nicht 100%ig prüfen, da die Platte limitiert. Alle Direkttriebler die ich hier habe (und hatte) erreichen um 0,05% WRMS . Darunter geht nichts.
![[Bild: jis.jpg]](https://i.postimg.cc/G26hSnYv/jis.jpg)
Könnte man den Gleichlauf theoretisch nicht auch am Ausgangssignal des FG messen (bei abspielender Platte) ? Damit müssten sich doch Ungenauigkeiten wie Zentrierungsfehler/Welligkeiten der Testplatte aus der Messung raushalten lassen?
Gruß,
Stefan
Beiträge: 15.380
Themen: 802
Thanks Received: 28.111 in 6.708 posts
Thanks Given: 2.418
Registriert seit: Oct 2014
Bewertung:
127
01.10.2019, 19:49
(Dieser Beitrag wurde zuletzt bearbeitet: 01.10.2019, 21:25 von scope.)
Rein theoretisch müsste das funktionieren, wenn man das Signal entsprechend verstärkt. Allerdings ist die Frequenz mit Sicherheit nicht einem der beiden Standards entsprechend, den ein W&F Meßgerät verarbeiten kann. Man kann es also nicht einfach einem standardisierten Meßgerät zuführen, sondern müsste die Beurteilung z.B. über FFT oder durch einen entsprechend dimensionierten Phasendiskriminator verwirklichen. Möglicherweise gibt es dafür auch flexible Software. (?)
Normgerecht wären die Ergebnisse damit aber immer noch nicht. Man hätte erst mal nichts, was man mit den Werten vergleichen könnte.
1 Mitglied sagt Danke an scope für diesen Beitrag:1 Mitglied sagt Danke an scope für diesen Beitrag
• Dude
Beiträge: 7.970
Themen: 23
Thanks Received: 7.904 in 3.094 posts
Thanks Given: 22.541
Registriert seit: Jan 2016
Bewertung:
35
(01.10.2019, 12:14)Armin777 schrieb: Üblich ist für den Lift die Viskosität von 500.000 - dann geht er auch etwas langsamer. 300.000 ist etwas zu dünn.
Guten Abend,
ich hänge mich mal kurz hier rein.
Armin, an meinem KD-990 geht der Arm auch sehr schnell runter. Ist tlw. etwas nervig.
Sollte man da was machen ?
Gib ihn mir, ich bin so nass. Gib ihn mir jetzt!
Bettelte sie, dann gab ich ihr den Schirm.
Beiträge: 1.263
Themen: 15
Thanks Received: 2.272 in 665 posts
Thanks Given: 3.080
Registriert seit: Apr 2019
Bewertung:
18
(01.10.2019, 19:49)scope schrieb: Rein theoretisch müsste das funktionieren, wenn man das Signal entsprechend verstärkt. Allerdings ist die Frequenz mit Sicherheit nicht einem der beiden Standards entsprechend, den ein W&F Meßgerät verarbeiten kann. Man kann es also nicht einfach einem standardisierten Meßgerät zuführen, sondern müsste die Beurteilung z.B. über FFT oder durch einen entsprechend dimensionierten Phasendiskriminator verwirklichen. Möglicherweise gibt es dafür auch flexible Software. (?)
Normgerecht wären die Ergebnisse damit aber immer noch nicht. Man hätte erst mal nichts, was man mit den Werten vergleichen könnte.
Ich gehe mal davon aus, das Herstellerangaben in der Größenordnung von 0,016% so oder ähnlich ermittelt wurden, da eine entsprechende Testplatte eine Rundlaufabweichung von max. 1/100 mm haben müsste um noch sicher in der Größenordnung zu messen. Vermutlich hat man irgendwie "umgewertet" für die Vergleichbarkeit, kenne die Norm leider nicht.
BTW, was hat die Katze so müde gemacht? Rattenjagd?
Gruß,
Stefan
Beiträge: 197
Themen: 1
Thanks Received: 237 in 103 posts
Thanks Given: 1.592
Registriert seit: Mar 2012
Bewertung:
3
Hallo scope
Noch eine Anmerkung zum Tonarmlift:
FALLS die Beschädigung im Inneren EINSEITIG wäre, also nur einen Teilbereichs-Abschnitt der Lauffläche betreffen würde, könnte man (wenn es sich um eine Spiralfeder handelt) vielleicht noch Folgendes versuchen:
Die Feder DERGESTALT verbiegen, daß beispielsweise ihre obere (oder untere) Begrenzungsfläche nicht mehr parallel, sondern schräg (zur gegenüberliegenden) ist, und sie dann SO einsetzen, daß der betreffende Bereich im Inneren des Liftes weniger (durch Druck) belastet wird (bzw. der verkantende Bereich weitgehend vermieden wird).
Leider kenne ich den inneren Aufbau des hier vorliegenden Tonarmliftes nicht.
Beiträge: 15.380
Themen: 802
Thanks Received: 28.111 in 6.708 posts
Thanks Given: 2.418
Registriert seit: Oct 2014
Bewertung:
127
01.10.2019, 21:35
(Dieser Beitrag wurde zuletzt bearbeitet: 01.10.2019, 21:37 von scope.)
Zitat:Ich gehe mal davon aus, das Herstellerangaben in der Größenordnung von 0,016% so oder ähnlich ermittelt wurden, da eine entsprechende Testplatte eine Rundlaufabweichung von max. 1/100 mm haben müsste um noch sicher in der Größenordnung zu messen. Vermutlich hat man irgendwie "umgewertet" für die Vergleichbarkeit, kenne die Norm leider nicht.
Der Hersteller gibt für diesen Spieler <0,025 % WRMS (3KHz) an. Soweit ich weiss hat man dafür sogenannte "Lackfolien" verwendet. Damit kenne ich mich aber nicht aus, und ich habe auch keine. Ich habe die normale "Adjust" Platte (in Singlegröße, aber 33,3 rpm) verwendet.
Da gab es schon vor Jahrzehnten durchaus Besseres .
Wie auch immer....Das Gerät ist klavierfest.
1 Mitglied sagt Danke an scope für diesen Beitrag:1 Mitglied sagt Danke an scope für diesen Beitrag
• Dude
Beiträge: 10.552
Themen: 52
Thanks Received: 4.932 in 2.897 posts
Thanks Given: 24.386
Registriert seit: Jul 2015
Bewertung:
29
Zum Lift: Ich hatte das Problem mit einem Jelco Arm. Tobifix hat mir den Stift auf der Drehbank poliert -> alles ok.
Dazu nochmal: "Danke".
Achte auf Deine Gedanken, denn sie werden Worte.
Achte auf Deine Worte, denn sie werden Handlungen.
Achte auf Deine Handlungen, denn sie werden Gewohnheiten.
Achte auf Deine Gewohnheiten, denn sie werden Dein Charakter.
Achte auf Deinen Charakter, denn er wird Dein Schicksal.
Beiträge: 15.380
Themen: 802
Thanks Received: 28.111 in 6.708 posts
Thanks Given: 2.418
Registriert seit: Oct 2014
Bewertung:
127
01.10.2019, 21:50
(Dieser Beitrag wurde zuletzt bearbeitet: 01.10.2019, 22:28 von scope.)
Das Radialspiel ist hier bereits hoch. Der Stift mit dem daran befindlichen Kolben kippt also bereits weg, wenn der Auflagebügel belastet wird. Das hat auch zur Folge, dass die Nadel bei gehobenem Lift an der Innenseite (Auslaufrille) der Platte sichtbar tiefer steht, als wenn sie über der Einlaufrille steht. Da ist also etwas zu viel Spiel drin.
Schleifen möchte ich da eigentlich gar nichts, obwohl man das bereits an der Tischbohrmschine machen könnte.
Mit einer fast doppelt so starken Feder geht´s jetzt immer problemlos bis ganz nach unten.....Aber auf Kosten einer angemessen geringen Geschwindigkeit. Es ist aber noch im Rahmen.
Beiträge: 197
Themen: 1
Thanks Received: 237 in 103 posts
Thanks Given: 1.592
Registriert seit: Mar 2012
Bewertung:
3
Den Kolben reinigen, die Lauffläche mit einer hauchdünnen Kunstharzlackschicht überziehen, und nach der Aushärtung (sowie einer eventuell erforderlichen mechanischen "Schleif-Einpassung") wieder einsetzen?
Beiträge: 10.552
Themen: 52
Thanks Received: 4.932 in 2.897 posts
Thanks Given: 24.386
Registriert seit: Jul 2015
Bewertung:
29
Neee, wenn, dann so: Galvanisch aufbringen, auf Maß schleifen, oder einfach neuen Stift drehen. Und das Gegenstück ausbuchsen. Oder neuen Lift kaufen. Oder einfach so lassen...
;-)
Achte auf Deine Gedanken, denn sie werden Worte.
Achte auf Deine Worte, denn sie werden Handlungen.
Achte auf Deine Handlungen, denn sie werden Gewohnheiten.
Achte auf Deine Gewohnheiten, denn sie werden Dein Charakter.
Achte auf Deinen Charakter, denn er wird Dein Schicksal.
Beiträge: 15.380
Themen: 802
Thanks Received: 28.111 in 6.708 posts
Thanks Given: 2.418
Registriert seit: Oct 2014
Bewertung:
127
Ich habe mich für "so lassen" entschieden.
Beiträge: 6.017
Themen: 76
Thanks Received: 369 in 249 posts
Thanks Given: 1.555
Registriert seit: Mar 2019
Bewertung:
16
(01.10.2019, 21:35)scope schrieb: Soweit ich weiss hat man dafür sogenannte "Lackfolien" verwendet. Das soll jetzt bitte nicht als Kritik verstanden werden,
aber es macht mich schon stutzig wenn ein Auskenner
Lackfolien in an- und ab- führungszeichen setzt.
Da geht noch was.
Wir haben die Freiheit nicht genug geliebt und wir hatten kein Bewußtsein für die reale Situation
© Aleksandr I. Solschenizyn
Beiträge: 2.891
Themen: 38
Thanks Received: 4.396 in 1.298 posts
Thanks Given: 3.923
Registriert seit: May 2014
Bewertung:
6
IC 11
Sind da 4 Verzögerungsleitungen?
|