Beiträge: 3.483
Themen: 410
Thanks Received: 3.598 in 1.309 posts
Thanks Given: 54
Registriert seit: Jan 2018
Bewertung:
48
Hallo Elektoniker
Dieses Netzgerät hat den Dienst quittiert und ich kann soetwas nicht instandsetzten.
Daher suche ich ( gegen Bezahlung ) einen Forianer der mir helfen möchte.
Ein Fehler den ich messen konnte, war die Spannung ( links unten im Bild der 2 pol Stecker ) die nicht vorhanden ist = 0.
Das ganze Teil sieht so aus :
Darf ich die kleinen Spannungen ( oben im letzten Bild ) ohne Last messen ?
VG Werner
Beiträge: 5.258
Themen: 8
Thanks Received: 2.027 in 1.053 posts
Thanks Given: 3.877
Registriert seit: Apr 2010
Bewertung:
17
meiner Erfahrung nach bekommt man ihn eine Last am Ausgang keinerlei messbare Spannung hin. Mein bisheriges Vorgehen war durch die bisherigen Erfahrungen, die Kondensatoren auslösen und auf die angegebene Kapazität prüfen wenn nicht schon durch das Aussehen ein oder mehr davon verräterisch waren.
ca. 90% der Netzteile konnte ich bisher wieder zur Mitarbeit bewegen. Problematisch waren je nach Einbausituation die teilweise Exotischen Abmessungen der Kondensatoren zu den elektrischen Werten.
Gruß Jürgen
 Die Kunst des Fliegens besteht darin, sich auf den Boden zu schmeissen und diesen zu verfehlen. ( Douglas Adams ) ...
Beiträge: 3.483
Themen: 410
Thanks Received: 3.598 in 1.309 posts
Thanks Given: 54
Registriert seit: Jan 2018
Bewertung:
48
Die Soundbar hat ein großzügiges Einbauloch auf der Rückseite.
Da kann etwas großes ohne Probleme eingebaut werden.
Sollte ich die Spannungen der Kondis um einen Wet erhöhen ?
VG Werner
Beiträge: 23.678
Themen: 275
Thanks Received: 27.882 in 9.670 posts
Thanks Given: 31.121
Registriert seit: Nov 2010
Bewertung:
101
27.01.2024, 00:11
(Dieser Beitrag wurde zuletzt bearbeitet: 27.01.2024, 00:14 von nice2hear.)
(26.01.2024, 22:41)p.seller schrieb: Hallo Elektoniker
Dieses Netzgerät hat den Dienst quittiert und ich kann soetwas nicht instandsetzten.
![[Bild: 20240126-221352.jpg]](https://i.postimg.cc/wBGLHrLY/20240126-221352.jpg)
:...
Ein Fehler den ich messen konnte, war die Spannung ( links unten im Bild der 2 pol Stecker ) die nicht vorhanden ist = 0.
Hi Werner, am CN1 Steckkontakt wird doch die Netzspannung über ein Kabel* zugeführt, ist doch mit AC IN beschriftet. So sollte da nix zu messen sein.
*, das du abgezogen hast?
"We learned more from a three minute record than we ever learned in school" , Bruce Springsteen in "No surrender" played als Song 2 im Mai 2013 in Hannover
Beiträge: 3.483
Themen: 410
Thanks Received: 3.598 in 1.309 posts
Thanks Given: 54
Registriert seit: Jan 2018
Bewertung:
48
Moin Peter
Der Stecker war beim Messen drauf.
Die anderen Spannungen habe gestern nicht mehr geprüft, weil ich mir nicht sicher bin ob das im lastlosen Zustand möglich ist.
VG Werner
Beiträge: 333
Themen: 3
Thanks Received: 267 in 161 posts
Thanks Given: 102
Registriert seit: Sep 2015
Bewertung:
5
p.seller schrieb:Ein Fehler den ich messen konnte, war die Spannung ( links unten im Bild der 2 pol Stecker ) die nicht vorhanden ist = 0. An dem zweipoligen Stecker geht die Netzspannung ins Netzteil. Entweder ist die Netzleitung hin oder der Netzstecker nicht in der Steckdose.
Und es steht dort geschrieben: "AC in" mit zwei Ausrufungszeichen! Bedeutet: A C H T U N G! Hier liegt, wenn angeschlossen und Netzstecker gesteckt, lebensgefährliche Netzspannung an!
Mein Tipp: Die drei kleineren Elkos tauschen (die zwei rechts unterhalb vom Trafo und den kleinen oberhalb vom 8 - beinigen IC). Einer von denen wird es vermutlich sein. 105° - Typen nehmen.
Gruß
Wenni
Beiträge: 3.483
Themen: 410
Thanks Received: 3.598 in 1.309 posts
Thanks Given: 54
Registriert seit: Jan 2018
Bewertung:
48
27.01.2024, 00:36
(Dieser Beitrag wurde zuletzt bearbeitet: 27.01.2024, 00:37 von p.seller.)
Die 3 Kondis sind 50V - 105Grad.
Sollte ich die gegen 63V Kondis wechseln?
Beiträge: 333
Themen: 3
Thanks Received: 267 in 161 posts
Thanks Given: 102
Registriert seit: Sep 2015
Bewertung:
5
27.01.2024, 00:39
(Dieser Beitrag wurde zuletzt bearbeitet: 27.01.2024, 00:40 von Wenni.)
...ist "wurscht". Wenn die defekt sind, sind die am Ripple gestorben, nicht an mangelnder Spannungsfestigkeit.
Gruß
Wenni
Beiträge: 3.483
Themen: 410
Thanks Received: 3.598 in 1.309 posts
Thanks Given: 54
Registriert seit: Jan 2018
Bewertung:
48
Okay - ich tausche die im laufe dieses Tages ( wenn es wieder Hell wird ).
Danke für die Hilfe
VG Werner
Beiträge: 817
Themen: 42
Thanks Received: 1.303 in 389 posts
Thanks Given: 142
Registriert seit: May 2012
Bewertung:
8
Hallo,
zur etwas genaueren Fehlereingrenzung wäre es hilfreich zu wissen, ob im eingebauten und angeschlossenen Zustand sekundärseitig überhaupt garkeine Spannung messbar ist oder ob "nur" eine bestimmte Sekundärspannung entweder komplett oder teilweise fehlt. Wenn sekundärseitig garkeine Spannung vorhanden ist, dann liegt die Vermutung nahe, dass die Kiste nicht startet (oft befindet sich, wie von Wenni bereits erwähnt, im Dunstkreis des Controller-ICs ein kleiner Elko zur "Starthilfe") oder nur kurz anschwingt und sofort wider abschaltet, dann liegt vermutlich eine Überlast vor. Ein defekter Schalttransistor löst meist die Primärsicherung aus, dann geht natürlich auch nichts mehr, wobei dann die Erfolgsaussichten einer Reparatur drastisch sinken.
Grüsse, maurice
Beiträge: 23.678
Themen: 275
Thanks Received: 27.882 in 9.670 posts
Thanks Given: 31.121
Registriert seit: Nov 2010
Bewertung:
101
27.01.2024, 10:13
(Dieser Beitrag wurde zuletzt bearbeitet: 27.01.2024, 10:58 von nice2hear.)
(27.01.2024, 00:26)p.seller schrieb: Moin Peter
Der Stecker war beim Messen drauf.
Elkos tauschen alles schön und gut, aber wenn an CN1 wirklich keine 230V AC reinkommen dann ist erstmal danach alles egal. Das sollte man zuerst klären. Vorsicht ist natürlich angesagt. Die Sicherung ist ja fein, ja? Der Faden innen ist nicht gut zu erkennen.
"We learned more from a three minute record than we ever learned in school" , Bruce Springsteen in "No surrender" played als Song 2 im Mai 2013 in Hannover
Beiträge: 1.485
Themen: 9
Thanks Received: 1.110 in 563 posts
Thanks Given: 110
Registriert seit: Nov 2021
Bewertung:
30
Ich glaube, das mit der Netzspannung hat er schon verstanden.
Blick auf das SNT:
Oberhalb das Hilfsnetzteil und unterhalb der ,,dicke Brummer", der vermutlich bedarfsgerecht zugeschaltet wird.
Über CN4 gehen die beiden Hilfsspannungen - vermutlich 5V und 12V - zum Detektor, der darüber rückmeldet. Der Detektor auf der anderen Platine wird vermutlich auf eine Fernbedienung, Taster am Gerät und ein Audiosignal am Eingang reagieren.
Keine Rückmeldung = keine Hauptspannung.
Zuerst ein Blick ins Glasröhrchen werfen, dass muss schon heile sein.
Nach anlegen der Netzspannung die Hilfsspannungen prüfen. Die Spannungen werden gegen Masse gemessen. Die Spannungen können auch in unbelastetem Zustand gemessen werden. (Warum? Beide Zweige ,,funken" die Ausgangsspannungen über Optokoppler ober- und unterhalb der Trafos auf die Primärseite. Der mittlere OK wird der ,,Zuschalter" sein.) Interessant ist eigentlich nur die ,,obere" Hilfsspannung hinter der dicken Diode und derem Elko. Dort darf - im Wechselspannungsbereich gemessen - nicht allzuviel Vac vorhanden sein. Dieser Elko wäre auch mein heißer Tipp; vermutlich platt. Die untere Hilfsspannung wird über einen Spannungsregler geführt, der das ,,Knattern" nicht unbedingt vollständig ausregeln, aber doch stark bedämpfen kann. Sollte stimmen. Welche Spannungen gemessen werden sollen, steht am Buchsengehäuse von CN4; im Bild verdeckt.
Ist der Elko hinüber, den dann gegen einen LowESR ersetzen. Ggf. den unteren Elko gleich mittauschen. 105° oder eine höhere Spannungsfestigkeit braucht es da nicht.
Beim Abziehen von CN03 ist das Buchsengehäuse am Stecker verblieben. Beim Wiederaufschieben unbedingt die korrekte Ausrichtung beachten. Ggf. Gehäuse von Stecker popeln, separat auf Stifte drücken und mit Sekundenkleber in korrekter Ausrichtung sichern.
Beiträge: 3.483
Themen: 410
Thanks Received: 3.598 in 1.309 posts
Thanks Given: 54
Registriert seit: Jan 2018
Bewertung:
48
An den Ausgängen ohne Last ist keine Spannung ( +-12V 5V BK 5V PS 12V CN2 ) zu messen.
 Florida Boy
Zu den von Dir empfohlenen Messungen komme ich erst heute Nachmittag.
VG Werner
Beiträge: 1.966
Themen: 1
Thanks Received: 1.845 in 1.023 posts
Thanks Given: 2
Registriert seit: Aug 2011
Bewertung:
21
Moin,
die meisten Sperrwandlernetzteile haetten schon gern eine Grundlast, sie muss nicht gross sein. Hier sollten 100mA genuegen. Belastet werden muss die Spannung, von der die Regelgroesse abgegriffen wird.
Anschwingen sollte so ein Netzteil auch ohne Last, nur kann man sich nicht darauf verlassen, dass die Regelung vernuenftig arbeitet. Der Regelkreis befindet sich sekundaer im Pfad mit den beiden TO92 ICs, das duerften TL431 sein. Netzteile, bei denen lastfreier Betrieb nicht ausgeschlossen werden kann, haben im der Regel einen Grundlastwiderstand im ausgang.
Was ist auf der Unterseite der Platine? Gibt es da noch SMD-Zeugs? Ich frage, weil auf der Primaerseite des Hauptnetzteiles praktisch nichts ist, nur der Transistor auf dem Kuehlkoerper. (Den Achtbeiner halte ich erstmal fuer das primaerseitig komplette Hilfsnetzteil, weil ich hier dessen Schalttransistor vermisse.)
Endweder wird der vom Hilfsnetzteil mit gesteuert (ist wegen der getrennten Regler beider Netzteile etwas schwierig ;-) oder es gibt auf der Unterseite der Platine noch was. Selbst primitive Sperrwandler haben auf der Primaerseite zwei bis drei Transistoren.
73
Peter
Beiträge: 3.483
Themen: 410
Thanks Received: 3.598 in 1.309 posts
Thanks Given: 54
Registriert seit: Jan 2018
Bewertung:
48
Rechts ist die Primärseite.
So sieht die Unterseite aus ( ich hoffe das hilft ) :
VG Werner
Beiträge: 124
Themen: 5
Thanks Received: 141 in 46 posts
Thanks Given: 1.569
Registriert seit: Nov 2014
Bewertung:
1
Hi,
auf der Lötseite schauen ein paar Lötstellen nicht koscher aus: an den Steckverbindern einige und auch rechts unten (auf dem Bild, ich vermute, daß das die Steckverbindung für den Netzeingang ist). Nachlöten schadet bestimmt nicht.
Tschüß
der Michael
Tschüßla
der Michael
Wie man's macht iss nix...
Beiträge: 1.966
Themen: 1
Thanks Received: 1.845 in 1.023 posts
Thanks Given: 2
Registriert seit: Aug 2011
Bewertung:
21
Moin,
ok, es gibt also SMD-Zeugs. IC2 ist die Steuerung des Hauptnetzteiles, Q5 der Treibertransistor der Schaltendstufe.
Ueber Q1 wird das Hauptnetzteil eingeschaltet, gesteuert ueber einen Optokoppler.
IC8 koennte ein Schaltregler fuer die 12V-Spannung an CN5 sein.
Hier wird es schwierig. Die Ueberpruefung des Netzteiles setzt voraus, dass man wenigstens mit der grundsaetzlichen Funktion dieser Dinger vertraut ist und entsprechende Messmittel hat. Das Wichtigste: Ein Trenntrafo. Oszilloskop waere schoen.
Durch die "Ferneinschaltung" des Hauptnetzteiles muss das Netzteil an seinem zu versorgenden Geraet ueberprueft werden. Voraussetzung, dass ueberhaupt etwas passieren kann, ist, dass das Hilfsnetzteil laeuft. Das ist mit einem IC bestueckt, das im Endeffekt nur vier Anschluesse hat. Die parallelgeschalteten Beine dienen in zweiter Linie der Waermeabfuhr in die Platine.
Unter der Voraussetzung, dass das Hilfsnetzteil nicht laeuft, obwohl Netzspannung anliegt, besorgt man sich das Datenblatt des ICs und vergleicht die meist darin angegebne Applikationsschaltung mit dem, was man hier vorliegen hat. In der Regel gibt es da wenig Unterschiede, die Geraetehersteller uebernehmen da gerne die Vorschlaege der Halbleiterhersteller. Spart Geld und sollte funktionieren ;-)
Und ja, einige Loetstellen, besonders auch am Netzspannungsanschluss sehen verdaechtig aus. Auch der Wandlertrafo des Hilfsnetzteiles sollte nachgeloetet werden.
73
Peter
Beiträge: 3.483
Themen: 410
Thanks Received: 3.598 in 1.309 posts
Thanks Given: 54
Registriert seit: Jan 2018
Bewertung:
48
28.01.2024, 21:56
(Dieser Beitrag wurde zuletzt bearbeitet: 28.01.2024, 22:43 von p.seller.)
Hallo helfende Hände
Ein paar Infos zu dem NT
IC 8 = RTB 267 ? ( sehr schlecht zu Lesen )
IC 1 = MD 224H
Q 2 = JCS12N60FR im Kühlkörper
IC 9 = KA 7805
Ich nehme an, das der kleine Übertrager für die Standby versorgung sein soll.
Da kann man ganz gut Messen.
Oszi habe ich und einen Trenntrafo, der im Moment einen Kurzschluss hat (werde Montag sehen was da los ist ).
Ich hoffe die Daten bringen etwas Licht ins Dunkel.
Die vorgeschlagenden Messpunkte werden auch Montag geprüft und notiert.
Schönen Restsonntag
VG Werner
Beiträge: 3.483
Themen: 410
Thanks Received: 3.598 in 1.309 posts
Thanks Given: 54
Registriert seit: Jan 2018
Bewertung:
48
Der OP-Tisch ist eingerichtet :
VG Werner
2 Mitglieder sagen Danke an p.seller für diesen Beitrag:2 Mitglieder sagen Danke an p.seller für diesen Beitrag
• nice2hear, xs500
Beiträge: 124
Themen: 5
Thanks Received: 141 in 46 posts
Thanks Given: 1.569
Registriert seit: Nov 2014
Bewertung:
1
Ich würde als erstes mal die Lötstellen in Ordnung bringen, bevor Du da weiter nach Fehlern suchst. Was bringt Dir die Fehlersuche mit Oszi & Co., wenn die Platine selbst Probleme hat...
Tschüßla
der Michael
Tschüßla
der Michael
Wie man's macht iss nix...
Beiträge: 3.483
Themen: 410
Thanks Received: 3.598 in 1.309 posts
Thanks Given: 54
Registriert seit: Jan 2018
Bewertung:
48
Das erste Erfolgserlebnis
Einbeschaltet nach dem Löten :
Die Standby-LED leuchtet wieder
Mit der FB eingeschaltet - LED aus.
Keine Display Anzeige und keine weitere Funktion über die FB.
VG Werner
Beiträge: 3.483
Themen: 410
Thanks Received: 3.598 in 1.309 posts
Thanks Given: 54
Registriert seit: Jan 2018
Bewertung:
48
Hier die Messungen an den Optokoppler :
VG Werner
Beiträge: 795
Themen: 33
Thanks Received: 511 in 268 posts
Thanks Given: 238
Registriert seit: Oct 2022
Bewertung:
8
Ich würde probehalber mal alles schön mit einem Fön erwärmen. Wenn es dann läuft, war es mit hoher Wahrscheinlichkeit ein Kondensator. Es wurden ja schon einige Verdächtige genannt.
Beiträge: 1.485
Themen: 9
Thanks Received: 1.110 in 563 posts
Thanks Given: 110
Registriert seit: Nov 2021
Bewertung:
30
29.01.2024, 12:22
(Dieser Beitrag wurde zuletzt bearbeitet: 29.01.2024, 12:46 von Florida Boy.)
Klingt schon jetzt nach irgendeinem Defekt auf der anderen Platine.
Aber bleiben wir noch kurz bei Ersterer, deren Funktion ja gegeben sein muss.
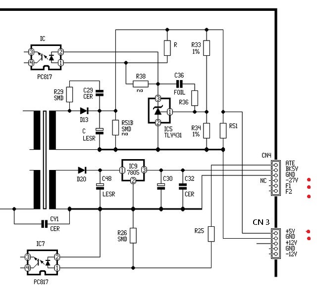
Wir wollten ja die Spannungen überprüfen:
Zuerst am Hilfsnetzteil:
An CN4 lässt sich nur die Spannung BK5V prüfen. Die zweite 5V-Spannung ist auf CN5 gelegt. Bei dieser interessiert die Restwelligkeit, gemessen im Vac-Bereich.
Dann Hauptregler starten:
Dazu eine Kabelbrücke zwischen BK5V und ATE legen. Alle Spannungen gemäß der Beschriftung der Steckverbinder prüfen.
![[Bild: FwtuDFyl.png]](https://i.imgur.com/FwtuDFyl.png)
EDIT sagt noch, dass die Spannungen immer relativ zu ihren (Masse-) Potenzialen geprüft werden müssen, da die Potenziale nicht alle zusammengelegt sind.
Beiträge: 3.483
Themen: 410
Thanks Received: 3.598 in 1.309 posts
Thanks Given: 54
Registriert seit: Jan 2018
Bewertung:
48
Die Zeichnung habe ich geändert ( die rotn Punkte sind nicht weitergeführt ).
Der Steckplatzname ist auch geändert ( sonst reden wir aneinander vorbei ).
Beim Messen ist mir aufgefallen das die Spannung auf den 2 pol. ( CN 5 ) von Platine 2 kommt ( ca. 1,5 V ).
VG Werner
|